lemon-mirror:
Home >> Lexus >> 2008 >> RX 400h FWD >> Repair and Diagnosis >> Electrical >> Body Electrical >> OEM System Circuits >> Shift Control System >> Notes

Shift Control System: Notes

Fig 1: Shift Control System - Circuit Diagram (1 Of 9)
G07609819Courtesy of © TOYOTA, LICENSE AGREEMENT TMS1002
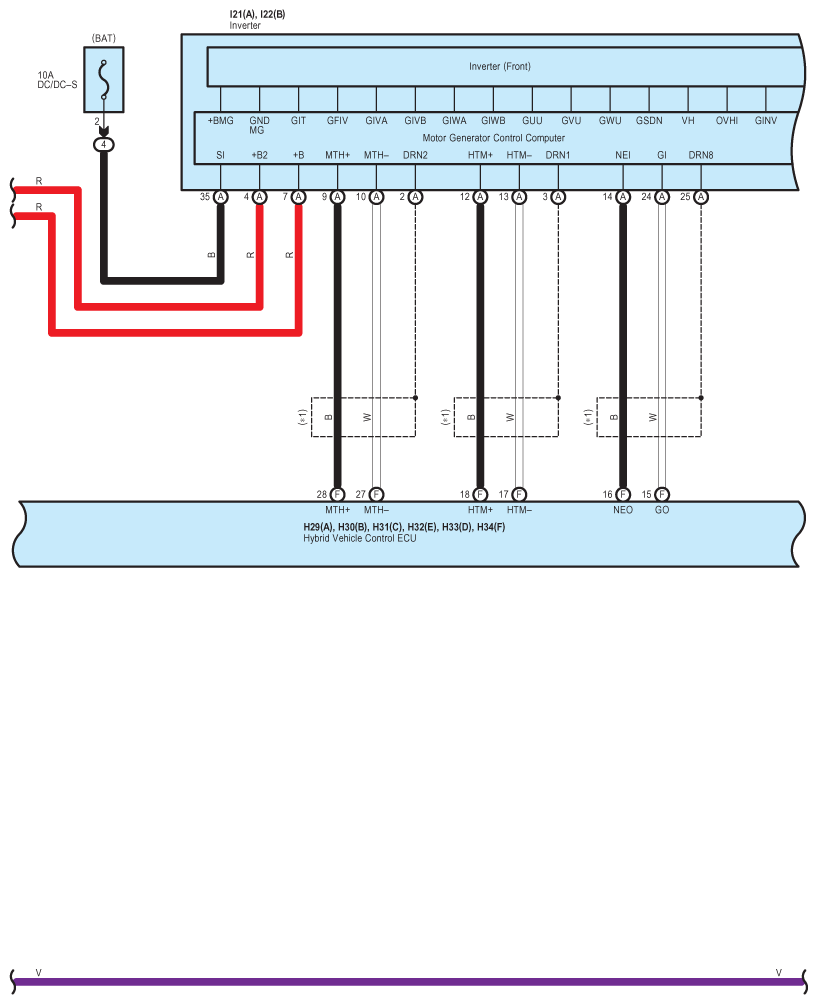
Fig 2: Shift Control System - Circuit Diagram (2 Of 9)
G07609820Courtesy of © TOYOTA, LICENSE AGREEMENT TMS1002
Fig 3: Shift Control System - Circuit Diagram (3 Of 9)
G07609821Courtesy of © TOYOTA, LICENSE AGREEMENT TMS1002
Fig 4: Shift Control System - Circuit Diagram (4 Of 9)
G07609822Courtesy of © TOYOTA, LICENSE AGREEMENT TMS1002
Fig 5: Shift Control System - Circuit Diagram (5 Of 9)
G07609823Courtesy of © TOYOTA, LICENSE AGREEMENT TMS1002
Fig 6: Shift Control System - Circuit Diagram (6 Of 9)
G07609824Courtesy of © TOYOTA, LICENSE AGREEMENT TMS1002
Fig 7: Shift Control System - Circuit Diagram (7 Of 9)
G07609825Courtesy of © TOYOTA, LICENSE AGREEMENT TMS1002
Fig 8: Shift Control System - Circuit Diagram (8 Of 9)
G07609826Courtesy of © TOYOTA, LICENSE AGREEMENT TMS1002
Fig 9: Shift Control System - Circuit Diagram (9 Of 9)
G07609827Courtesy of © TOYOTA, LICENSE AGREEMENT TMS1002