lemon-mirror:
Home >> Lexus >> 2008 >> SC 430 >> Repair and Diagnosis >> Electrical >> Body Electrical >> OEM System Circuits >> ECT and A/T Indicator >> Notes

ECT and A/T Indicator: Notes

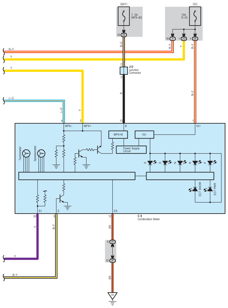
Fig 1: ECT And A/T Indicator - Circuit Diagram (1 Of 6)
G07612035Courtesy of © TOYOTA, LICENSE AGREEMENT TMS1002
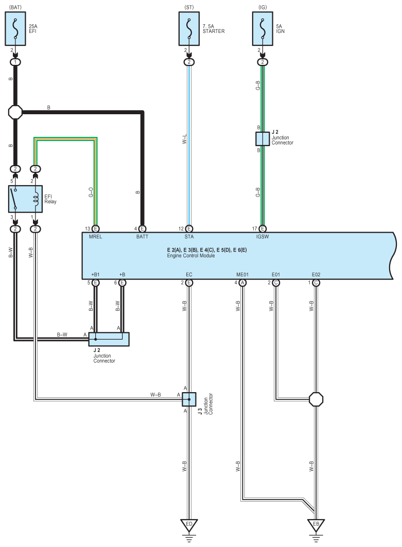
Fig 2: ECT And A/T Indicator - Circuit Diagram (2 Of 6)
G07612036Courtesy of © TOYOTA, LICENSE AGREEMENT TMS1002
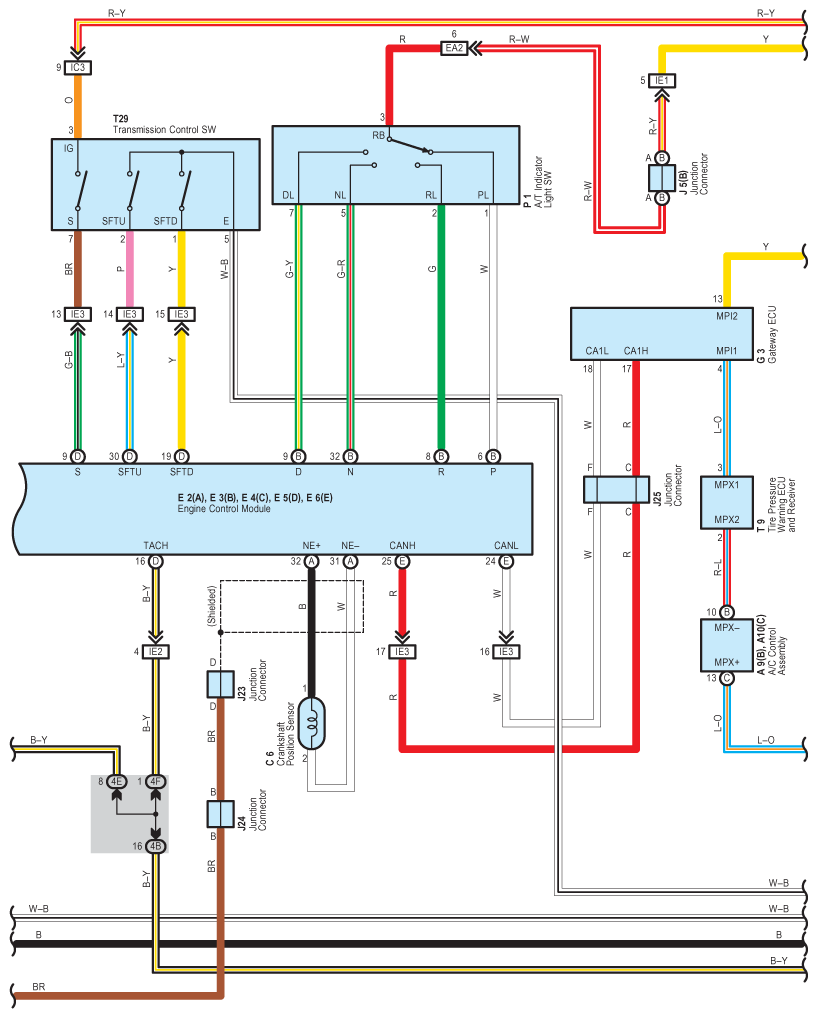
Fig 3: ECT And A/T Indicator - Circuit Diagram (3 Of 6)
G07612037Courtesy of © TOYOTA, LICENSE AGREEMENT TMS1002
Fig 4: ECT And A/T Indicator - Circuit Diagram (4 Of 6)
G07612038Courtesy of © TOYOTA, LICENSE AGREEMENT TMS1002
Fig 5: ECT And A/T Indicator - Circuit Diagram (5 Of 6)
G07612039Courtesy of © TOYOTA, LICENSE AGREEMENT TMS1002
Fig 6: ECT And A/T Indicator - Circuit Diagram (6 Of 6)
G07612040Courtesy of © TOYOTA, LICENSE AGREEMENT TMS1002