lemon-mirror:
Home >> Lexus >> 2008 >> SC 430 >> Repair and Diagnosis >> Electrical >> Body Electrical >> OEM System Circuits >> Radiator Fan >> Notes

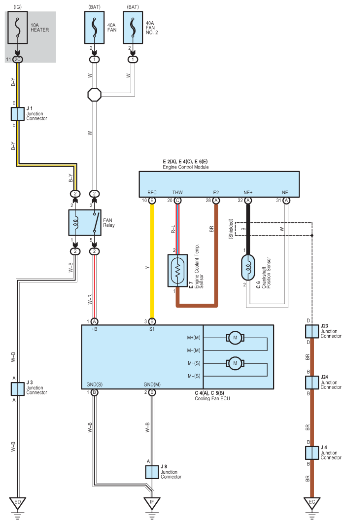
Radiator Fan: Notes

Fig 1: Radiator Fan - Circuit Diagram
G07612094Courtesy of © TOYOTA, LICENSE AGREEMENT TMS1002