lemon-mirror:
Home >> Lexus >> 2008 >> SC 430 >> Repair and Diagnosis >> Electrical >> Body Electrical >> OEM System Circuits >> SRS >> Notes

OEM System Circuits: SRS: Notes

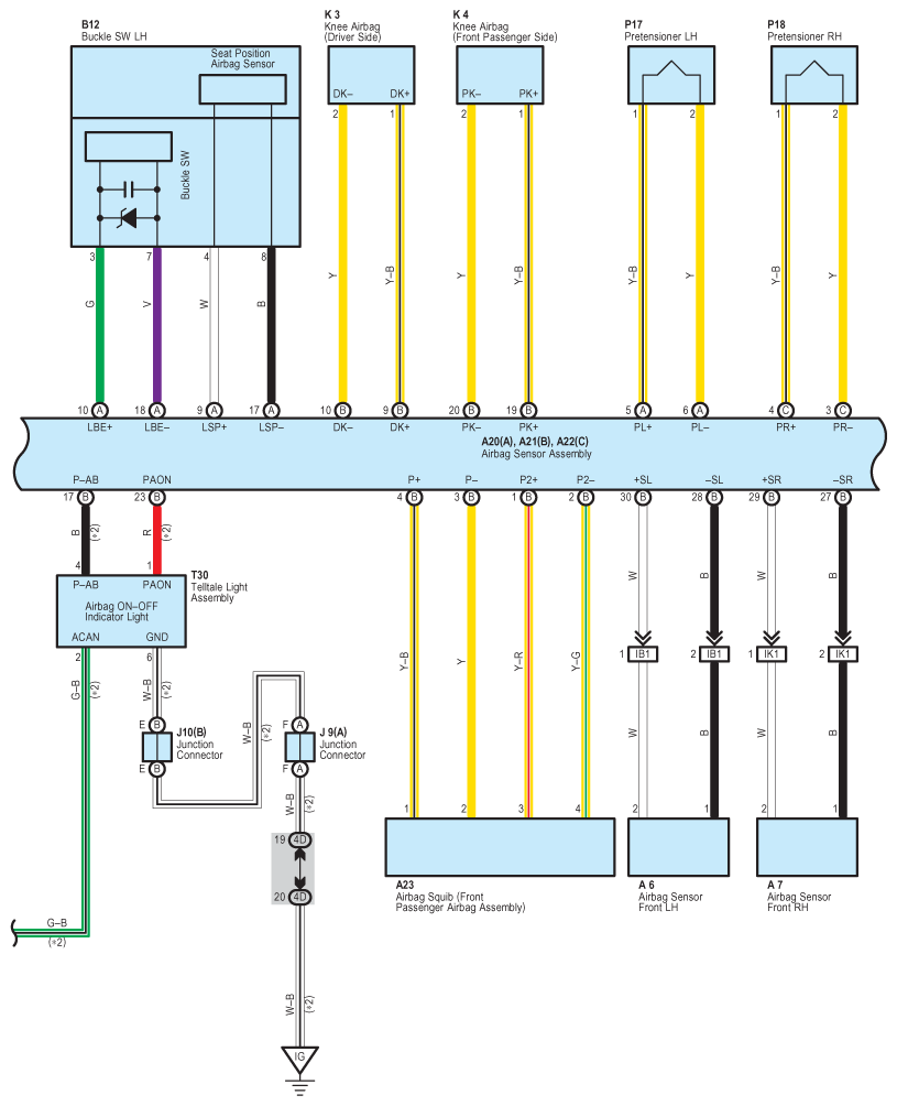
Fig 1: SRS - Circuit Diagram (1 Of 6)
G07612052Courtesy of © TOYOTA, LICENSE AGREEMENT TMS1002
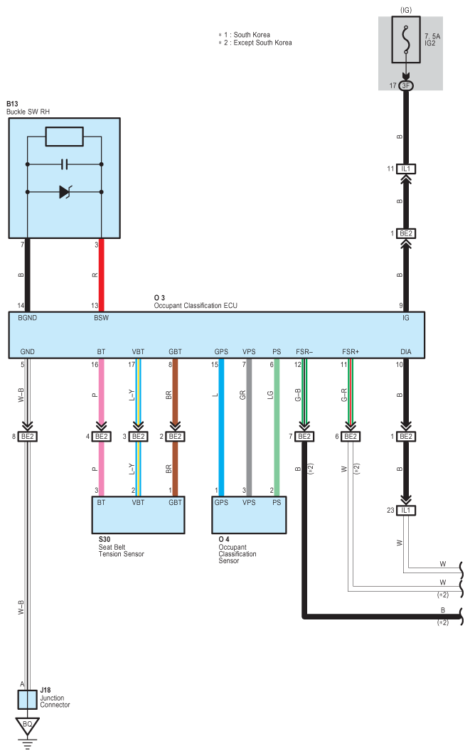
Fig 2: SRS - Circuit Diagram (2 Of 6)
G07612053Courtesy of © TOYOTA, LICENSE AGREEMENT TMS1002
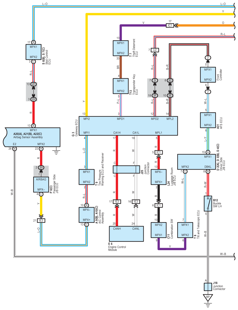
Fig 3: SRS - Circuit Diagram (3 Of 6)
G07612054Courtesy of © TOYOTA, LICENSE AGREEMENT TMS1002
Fig 4: SRS - Circuit Diagram (4 Of 6)
G07612055Courtesy of © TOYOTA, LICENSE AGREEMENT TMS1002
Fig 5: SRS - Circuit Diagram (5 Of 6)
G07612056Courtesy of © TOYOTA, LICENSE AGREEMENT TMS1002
Fig 6: SRS - Circuit Diagram (6 Of 6)
G07612057Courtesy of © TOYOTA, LICENSE AGREEMENT TMS1002