lemon-mirror:
Home >> Lexus >> 2009 >> ES 350 >> Repair and Diagnosis >> Body & Frame >> Windows >> Power Window Control System (Diagnostics - Introduction) >> Power Window Control System >> System Diagram >> System Diagram

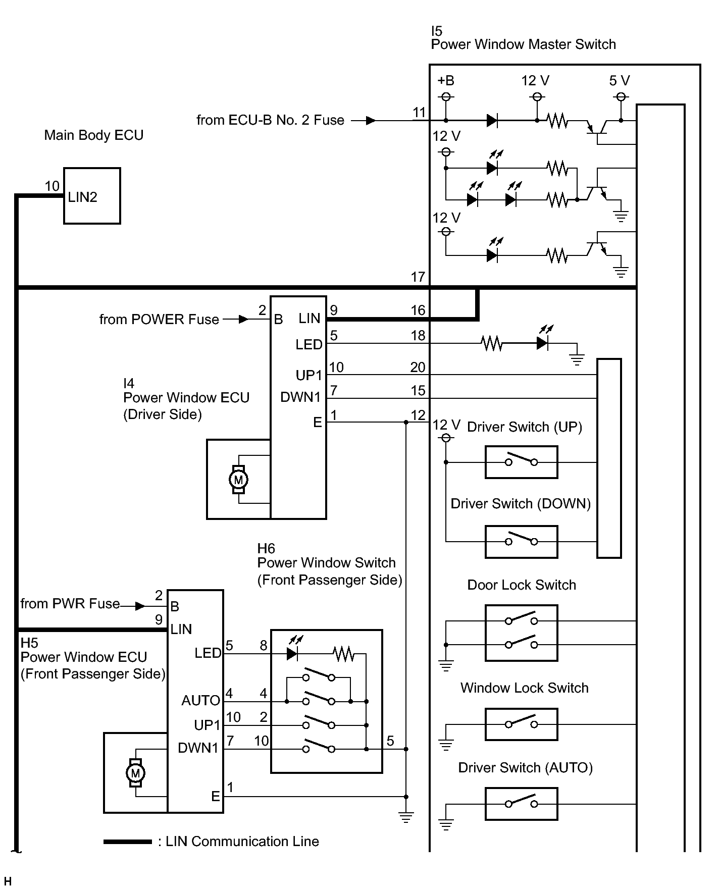
System Diagram

Fig 1: Power Window Control System - System Diagram (1 Of 2)
GTY125938Courtesy of © TOYOTA, LICENSE AGREEMENT TMS1002
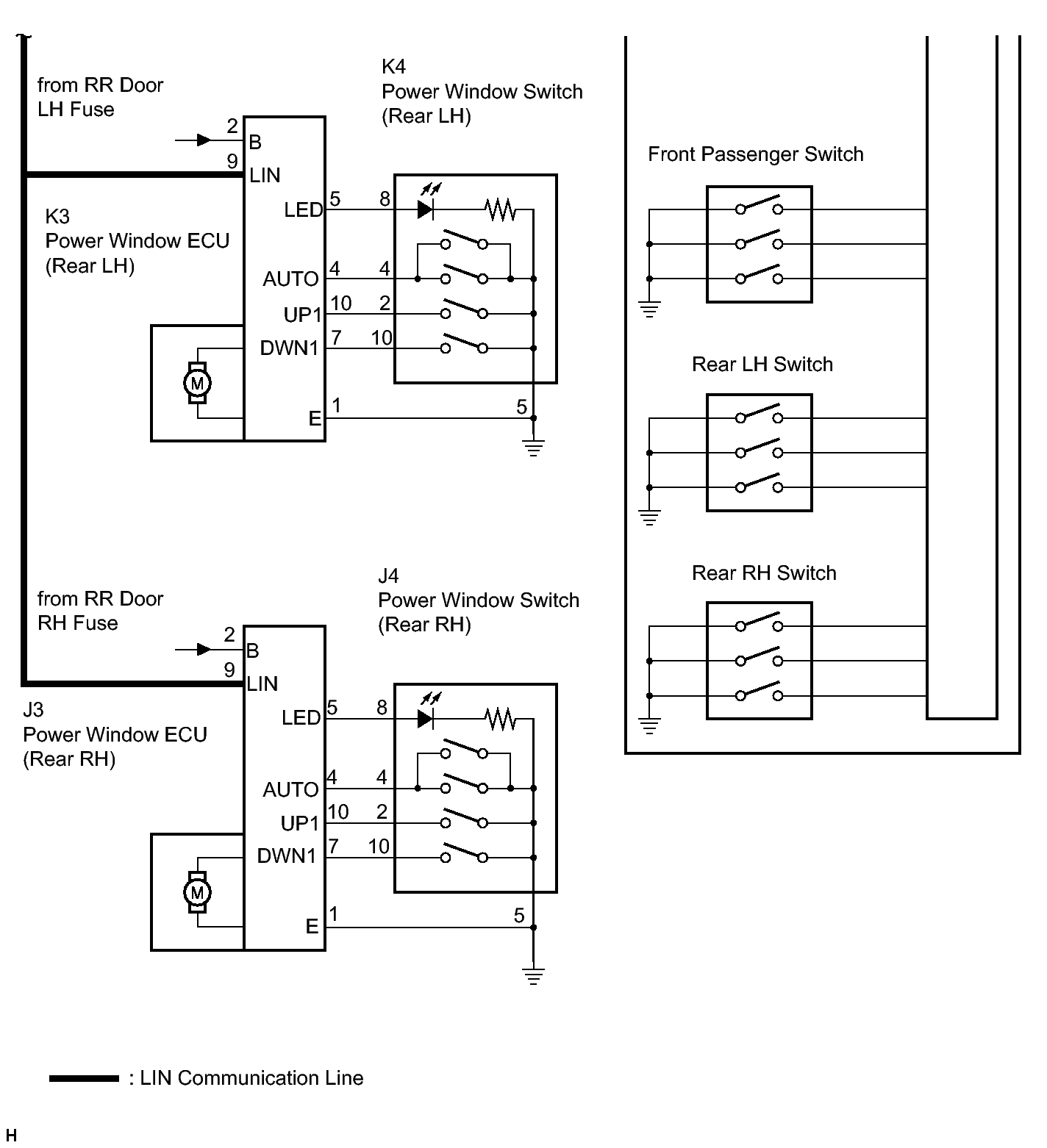
Fig 2: Power Window Control System - System Diagram (2 Of 2)
GTY126670Courtesy of © TOYOTA, LICENSE AGREEMENT TMS1002