lemon-mirror:
Home >> Lexus >> 2009 >> ES 350 >> Repair and Diagnosis >> Electrical >> Body Electrical >> OEM Ground Points >> Ground Point >> Notes

Ground Point: Notes

Fig 1: Ground Point - Wiring Diagram (1 Of 7)
G07625284Courtesy of © TOYOTA, LICENSE AGREEMENT TMS1002
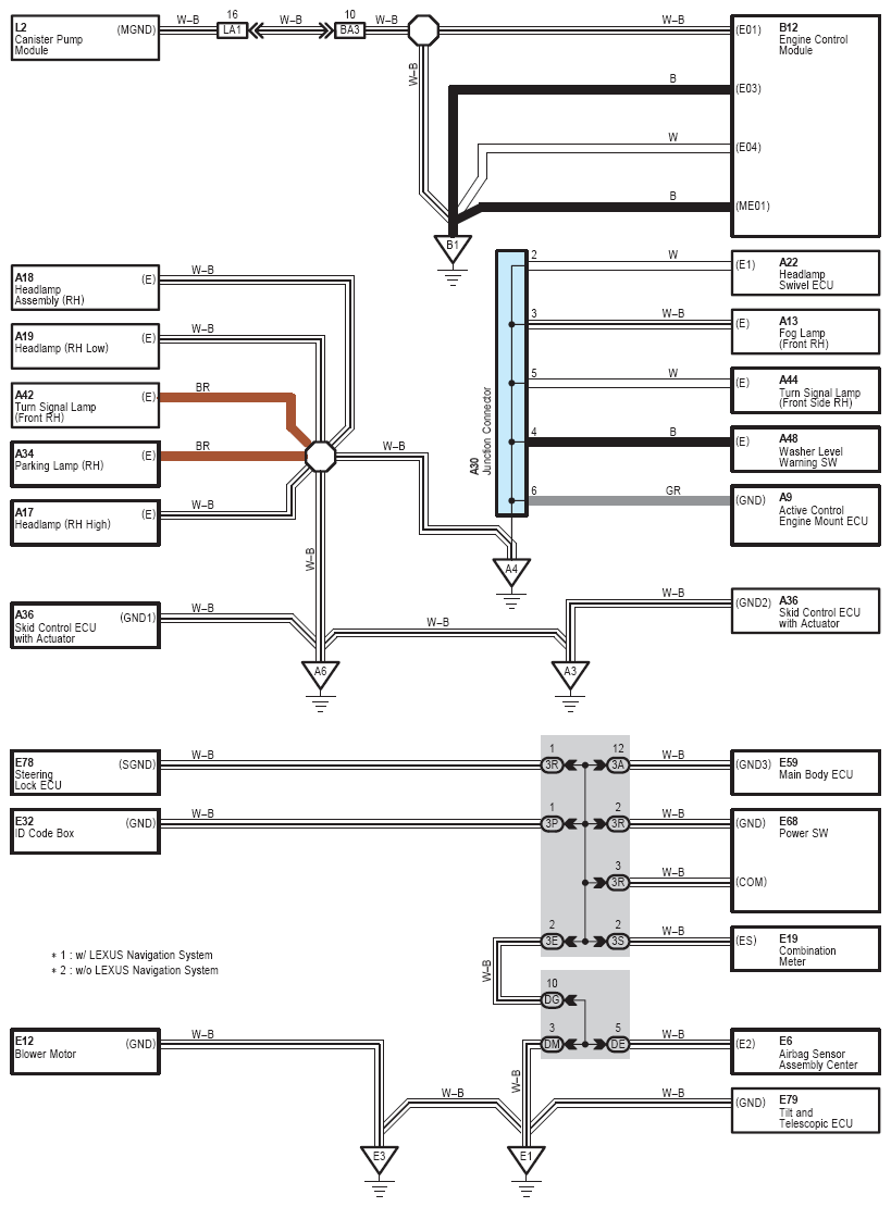
Fig 2: Ground Point - Wiring Diagram (2 Of 7)
G07625285Courtesy of © TOYOTA, LICENSE AGREEMENT TMS1002
Fig 3: Ground Point - Wiring Diagram (3 Of 7)
G07625286Courtesy of © TOYOTA, LICENSE AGREEMENT TMS1002
Fig 4: Ground Point - Wiring Diagram (4 Of 7)
G07625287Courtesy of © TOYOTA, LICENSE AGREEMENT TMS1002
Fig 5: Ground Point - Wiring Diagram (5 Of 7)
G07625288Courtesy of © TOYOTA, LICENSE AGREEMENT TMS1002
Fig 6: Ground Point - Wiring Diagram (6 Of 7)
G07625289Courtesy of © TOYOTA, LICENSE AGREEMENT TMS1002
Fig 7: Ground Point - Wiring Diagram (7 Of 7)
G07625290Courtesy of © TOYOTA, LICENSE AGREEMENT TMS1002