lemon-mirror:
Home >> Lexus >> 2009 >> ES 350 >> Repair and Diagnosis >> Electrical >> Body Electrical >> OEM System Circuits >> Air Conditioning >> Notes

Air Conditioning: Notes

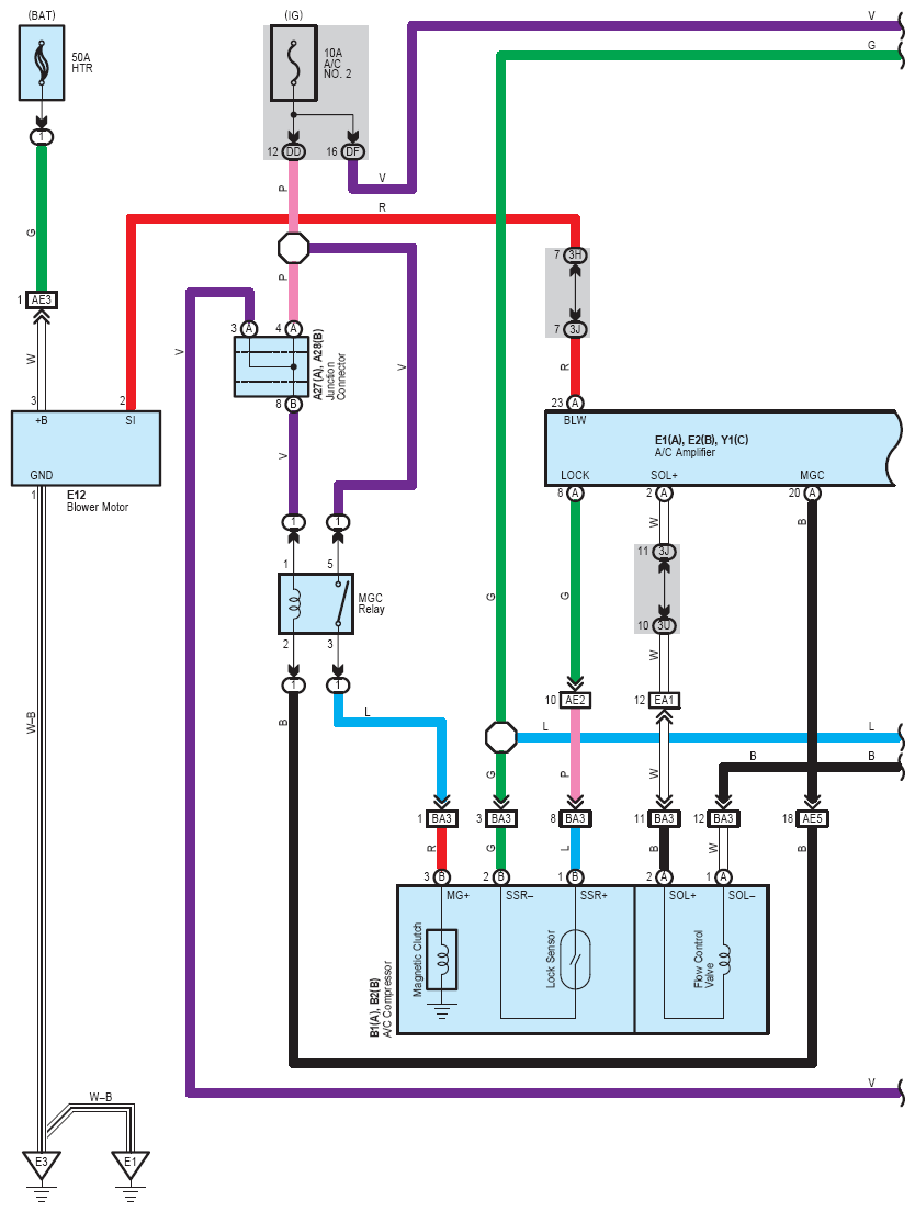
Fig 1: Air Conditioning - Circuit Diagram (1 Of 6)
G07625278Courtesy of © TOYOTA, LICENSE AGREEMENT TMS1002
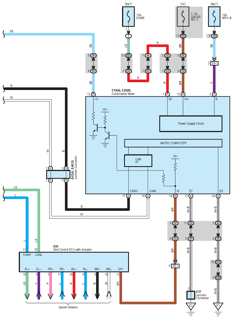
Fig 2: Air Conditioning - Circuit Diagram (2 Of 6)
G07625279Courtesy of © TOYOTA, LICENSE AGREEMENT TMS1002
Fig 3: Air Conditioning - Circuit Diagram (3 Of 6)
G07625280Courtesy of © TOYOTA, LICENSE AGREEMENT TMS1002
Fig 4: Air Conditioning - Circuit Diagram (4 Of 6)
G07625281Courtesy of © TOYOTA, LICENSE AGREEMENT TMS1002
Fig 5: Air Conditioning - Circuit Diagram (5 Of 6)
G07625282Courtesy of © TOYOTA, LICENSE AGREEMENT TMS1002
Fig 6: Air Conditioning - Circuit Diagram (6 Of 6)
G07625283Courtesy of © TOYOTA, LICENSE AGREEMENT TMS1002