lemon-mirror:
Home >> Lexus >> 2009 >> ES 350 >> Repair and Diagnosis >> Electrical >> Body Electrical >> OEM System Circuits >> Light Auto Turn Off System >> Notes

Light Auto Turn Off System: Notes

Fig 1: Light Auto Turn Off System - Circuit Diagram (1 Of 3)
G07625127Courtesy of © TOYOTA, LICENSE AGREEMENT TMS1002
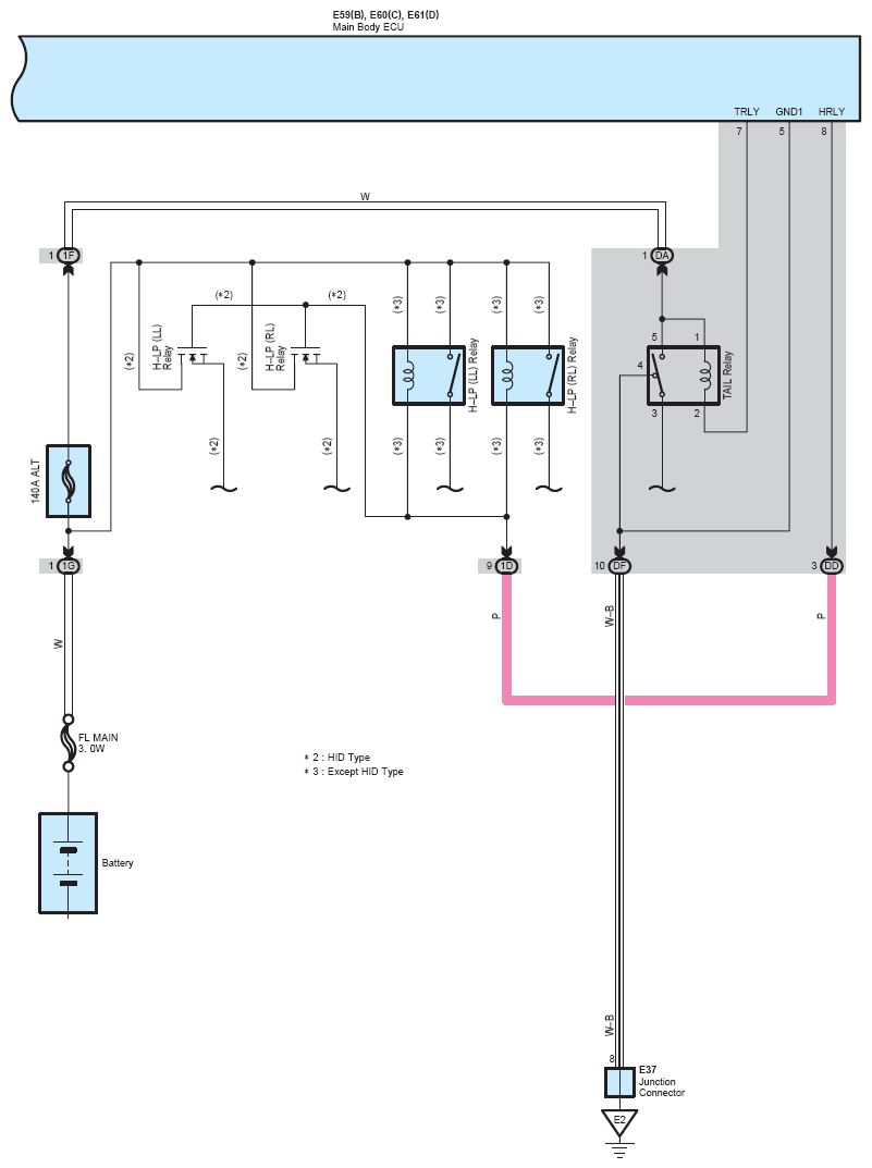
Fig 2: Light Auto Turn Off System - Circuit Diagram (2 Of 3)
G07625128Courtesy of © TOYOTA, LICENSE AGREEMENT TMS1002
Fig 3: Light Auto Turn Off System - Circuit Diagram (3 Of 3)
G07625129Courtesy of © TOYOTA, LICENSE AGREEMENT TMS1002