lemon-mirror:
Home >> Lexus >> 2009 >> ES 350 >> Repair and Diagnosis >> Electrical >> Body Electrical >> OEM System Circuits >> Pre-Collision System >> Notes

Pre-Collision System: Notes

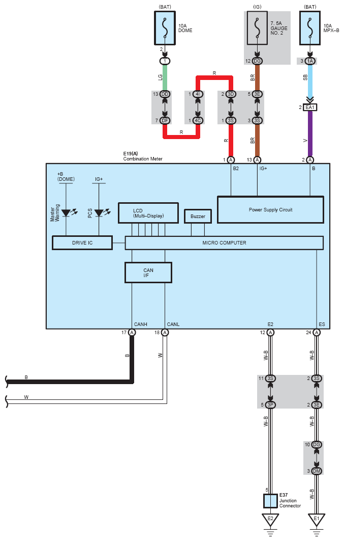
Fig 1: Pre-Collision System - Circuit Diagram (1 Of 4)
G07625209Courtesy of © TOYOTA, LICENSE AGREEMENT TMS1002
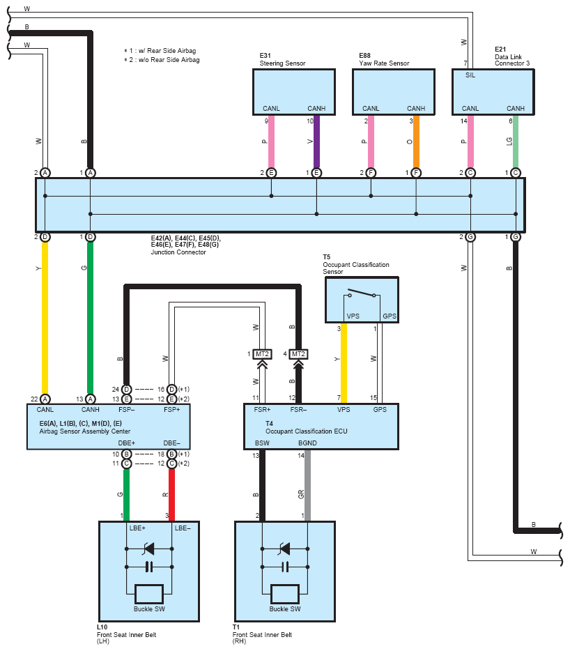
Fig 2: Pre-Collision System - Circuit Diagram (2 Of 4)
G07625210Courtesy of © TOYOTA, LICENSE AGREEMENT TMS1002
Fig 3: Pre-Collision System - Circuit Diagram (3 Of 4)
G07625211Courtesy of © TOYOTA, LICENSE AGREEMENT TMS1002
Fig 4: Pre-Collision System - Circuit Diagram (4 Of 4)
G07625212Courtesy of © TOYOTA, LICENSE AGREEMENT TMS1002