lemon-mirror:
Home >> Lexus >> 2009 >> GS 450h >> Repair and Diagnosis >> Electrical >> Body Electrical >> OEM System Circuits >> Air Conditioning >> Notes

Air Conditioning: Notes

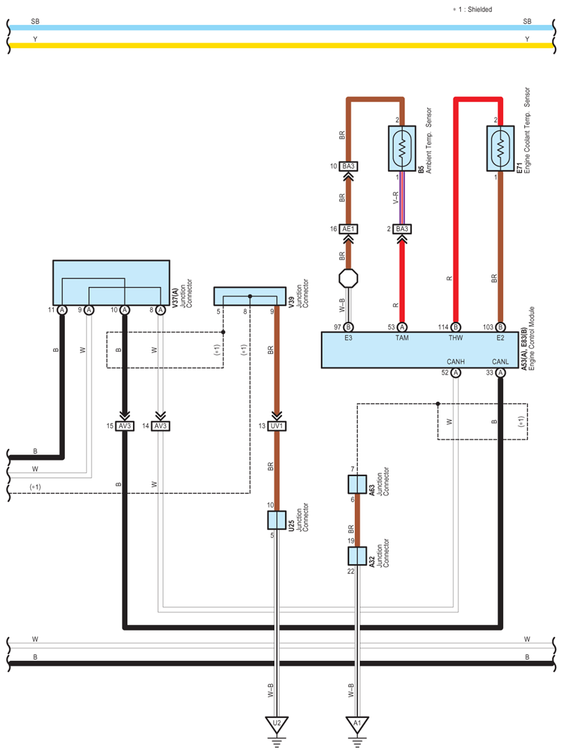
Fig 1: Air Conditioning - Circuit Diagram (1 Of 8)
G07617258Courtesy of © TOYOTA, LICENSE AGREEMENT TMS1002
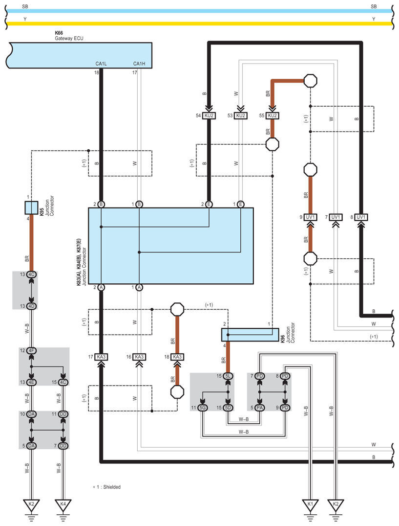
Fig 2: Air Conditioning - Circuit Diagram (2 Of 8)
G07617259Courtesy of © TOYOTA, LICENSE AGREEMENT TMS1002
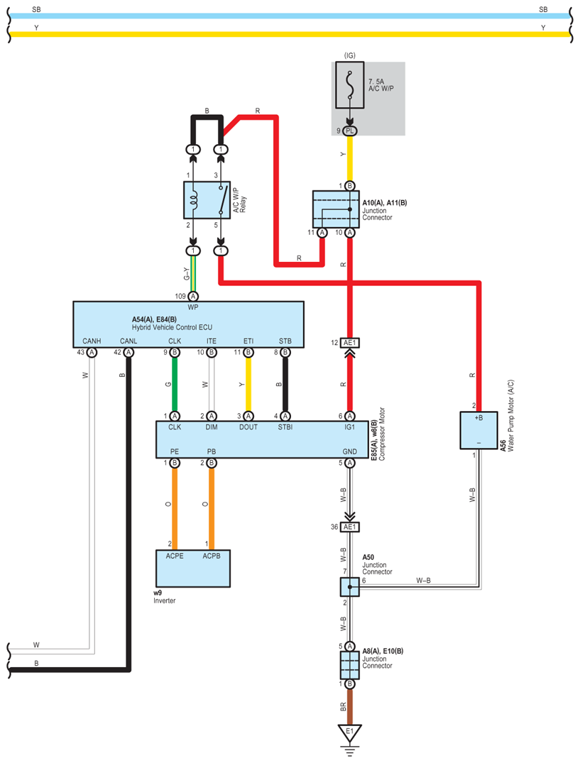
Fig 3: Air Conditioning - Circuit Diagram (3 Of 8)
G07617260Courtesy of © TOYOTA, LICENSE AGREEMENT TMS1002
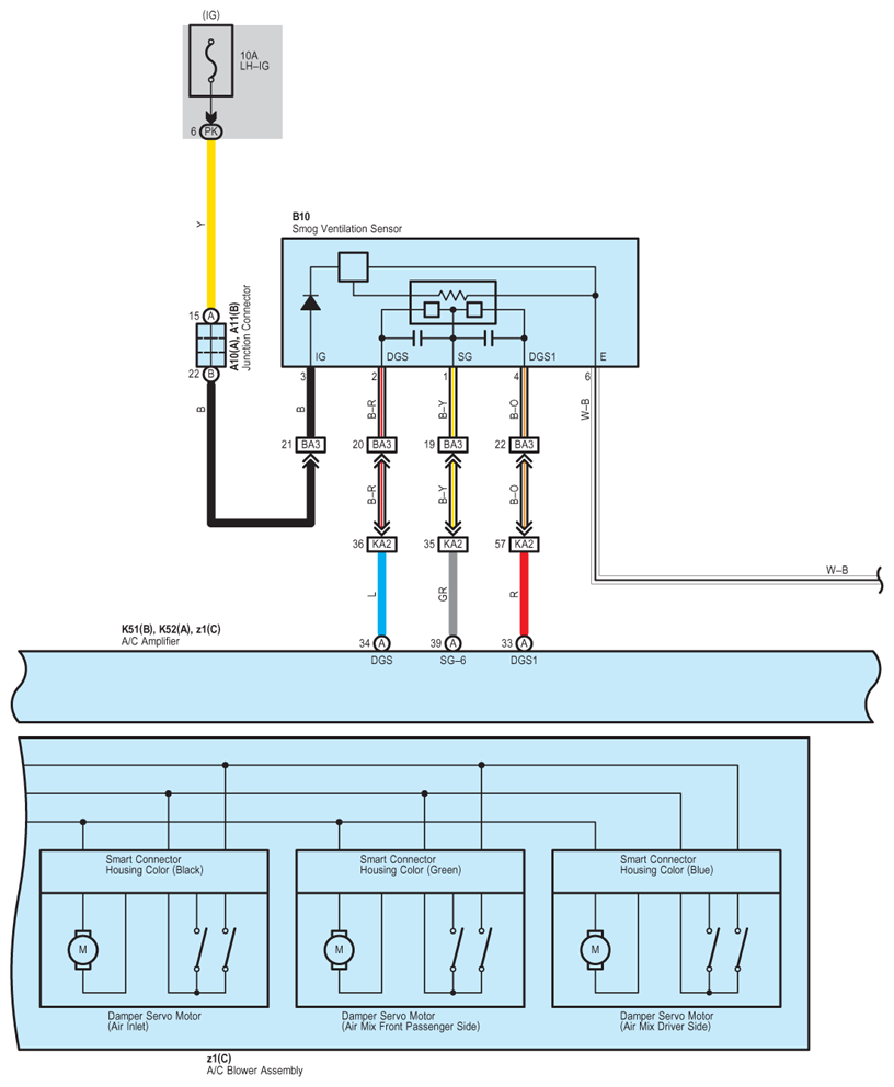
Fig 4: Air Conditioning - Circuit Diagram (4 Of 8)
G07617261Courtesy of © TOYOTA, LICENSE AGREEMENT TMS1002
Fig 5: Air Conditioning - Circuit Diagram (5 Of 8)
G07617262Courtesy of © TOYOTA, LICENSE AGREEMENT TMS1002
Fig 6: Air Conditioning - Circuit Diagram (6 Of 8)
G07617263Courtesy of © TOYOTA, LICENSE AGREEMENT TMS1002
Fig 7: Air Conditioning - Circuit Diagram (7 Of 8)
G07617264Courtesy of © TOYOTA, LICENSE AGREEMENT TMS1002
Fig 8: Air Conditioning - Circuit Diagram (8 Of 8)
G07617265Courtesy of © TOYOTA, LICENSE AGREEMENT TMS1002