lemon-mirror:
Home >> Lexus >> 2009 >> GS 450h >> Repair and Diagnosis >> Electrical >> Body Electrical >> OEM System Circuits >> Cooling Fan >> Notes

Cooling Fan: Notes

Fig 1: Cooling Fan - Circuit Diagram (1 Of 6)
G07617252Courtesy of © TOYOTA, LICENSE AGREEMENT TMS1002
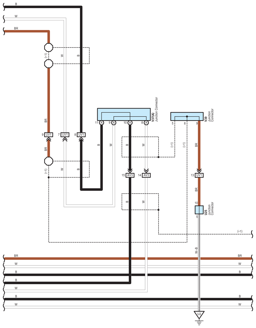
Fig 2: Cooling Fan - Circuit Diagram (2 Of 6)
G07617253Courtesy of © TOYOTA, LICENSE AGREEMENT TMS1002
Fig 3: Cooling Fan - Circuit Diagram (3 Of 6)
G07617254Courtesy of © TOYOTA, LICENSE AGREEMENT TMS1002
Fig 4: Cooling Fan - Circuit Diagram (4 Of 6)
G07617255Courtesy of © TOYOTA, LICENSE AGREEMENT TMS1002
Fig 5: Cooling Fan - Circuit Diagram (5 Of 6)
G07617256Courtesy of © TOYOTA, LICENSE AGREEMENT TMS1002
Fig 6: Cooling Fan - Circuit Diagram (6 Of 6)
G07617257Courtesy of © TOYOTA, LICENSE AGREEMENT TMS1002