lemon-mirror:
Home >> Lexus >> 2009 >> GS 450h >> Repair and Diagnosis >> Electrical >> Body Electrical >> OEM System Circuits >> Cruise Control >> Notes

Cruise Control: Notes

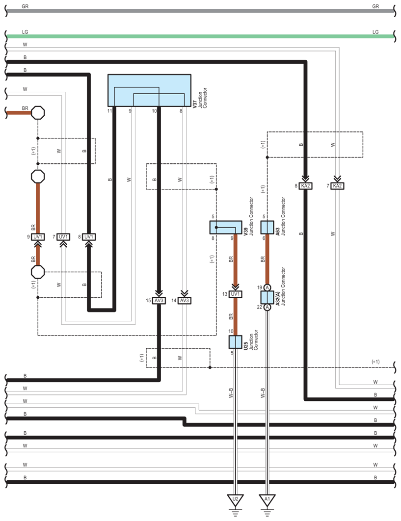
Fig 1: Cruise Control - Circuit Diagram (1 Of 16)
G07617059Courtesy of © TOYOTA, LICENSE AGREEMENT TMS1002
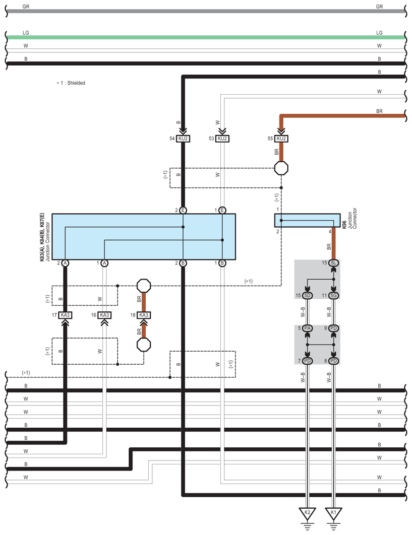
Fig 2: Cruise Control - Circuit Diagram (2 Of 16)
G07617060Courtesy of © TOYOTA, LICENSE AGREEMENT TMS1002
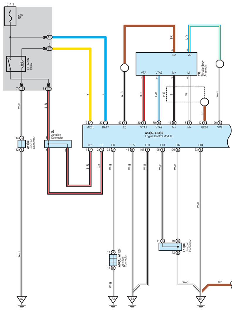
Fig 3: Cruise Control - Circuit Diagram (3 Of 16)
G07617061Courtesy of © TOYOTA, LICENSE AGREEMENT TMS1002
Fig 4: Cruise Control - Circuit Diagram (4 Of 16)
G07617062Courtesy of © TOYOTA, LICENSE AGREEMENT TMS1002
Fig 5: Cruise Control - Circuit Diagram (5 Of 16)
G07617063Courtesy of © TOYOTA, LICENSE AGREEMENT TMS1002
Fig 6: Cruise Control - Circuit Diagram (6 Of 16)
G07617064Courtesy of © TOYOTA, LICENSE AGREEMENT TMS1002
Fig 7: Cruise Control - Circuit Diagram (7 Of 16)
G07617065Courtesy of © TOYOTA, LICENSE AGREEMENT TMS1002
Fig 8: Cruise Control - Circuit Diagram (8 Of 16)
G07617066Courtesy of © TOYOTA, LICENSE AGREEMENT TMS1002
Fig 9: Cruise Control - Circuit Diagram (9 Of 16)
G07617067Courtesy of © TOYOTA, LICENSE AGREEMENT TMS1002
Fig 10: Cruise Control - Circuit Diagram (10 Of 16)
G07617068Courtesy of © TOYOTA, LICENSE AGREEMENT TMS1002
Fig 11: Cruise Control - Circuit Diagram (11 Of 16)
G07617069Courtesy of © TOYOTA, LICENSE AGREEMENT TMS1002
Fig 12: Cruise Control - Circuit Diagram (12 Of 16)
G07617070Courtesy of © TOYOTA, LICENSE AGREEMENT TMS1002
Fig 13: Cruise Control - Circuit Diagram (13 Of 16)
G07617071Courtesy of © TOYOTA, LICENSE AGREEMENT TMS1002
Fig 14: Cruise Control - Circuit Diagram (14 Of 16)
G07617072Courtesy of © TOYOTA, LICENSE AGREEMENT TMS1002
Fig 15: Cruise Control - Circuit Diagram (15 Of 16)
G07617073Courtesy of © TOYOTA, LICENSE AGREEMENT TMS1002
Fig 16: Cruise Control - Circuit Diagram (16 Of 16)
G07617074Courtesy of © TOYOTA, LICENSE AGREEMENT TMS1002