lemon-mirror:
Home >> Lexus >> 2009 >> GS 450h >> Repair and Diagnosis >> Electrical >> Body Electrical >> OEM System Circuits >> Horn >> Notes

OEM System Circuits: Horn: Notes

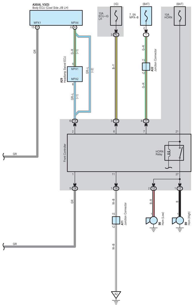
Fig 1: Horn - Circuit Diagram (1 Of 2)
G07617199Courtesy of © TOYOTA, LICENSE AGREEMENT TMS1002
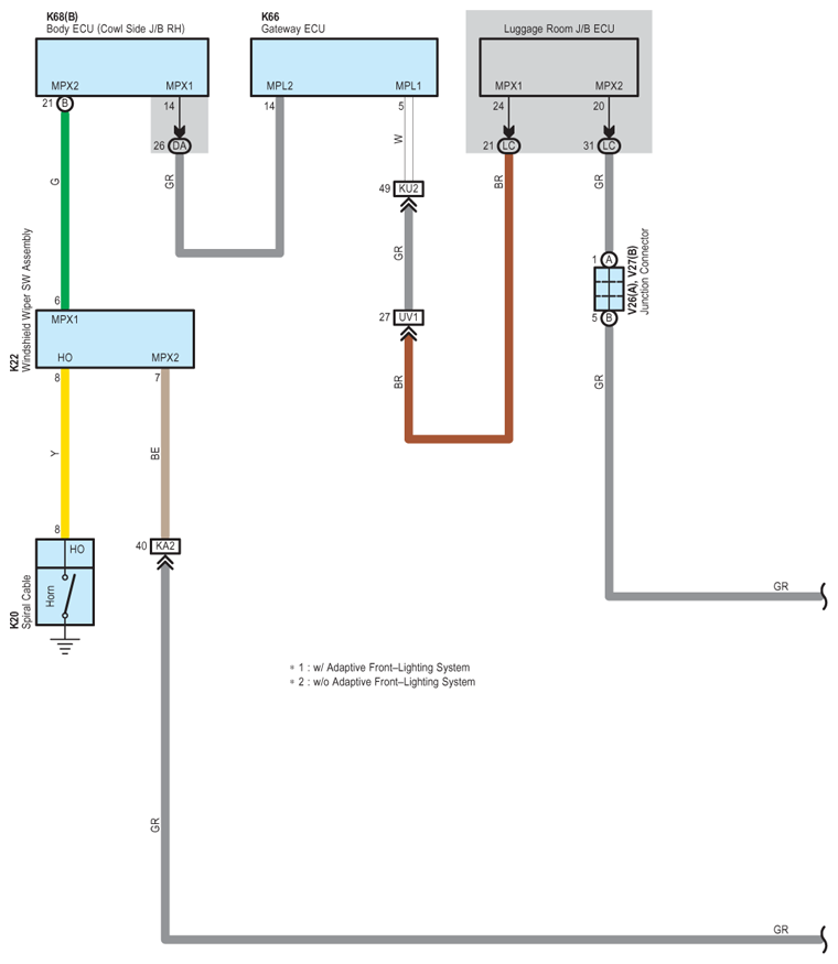
Fig 2: Horn - Circuit Diagram (2 Of 2)
G07617200Courtesy of © TOYOTA, LICENSE AGREEMENT TMS1002