lemon-mirror:
Home >> Lexus >> 2009 >> GS 450h >> Repair and Diagnosis >> Electrical >> Body Electrical >> OEM System Circuits >> Hybrid System and Shift Control System >> Notes

Hybrid System and Shift Control System: Notes

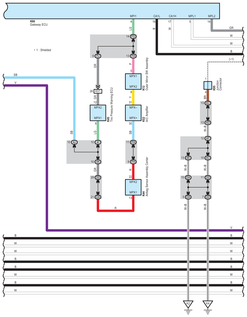
Fig 1: Hybrid System And Shift Control System - Circuit Diagram (1 Of 23)
G07616878Courtesy of © TOYOTA, LICENSE AGREEMENT TMS1002
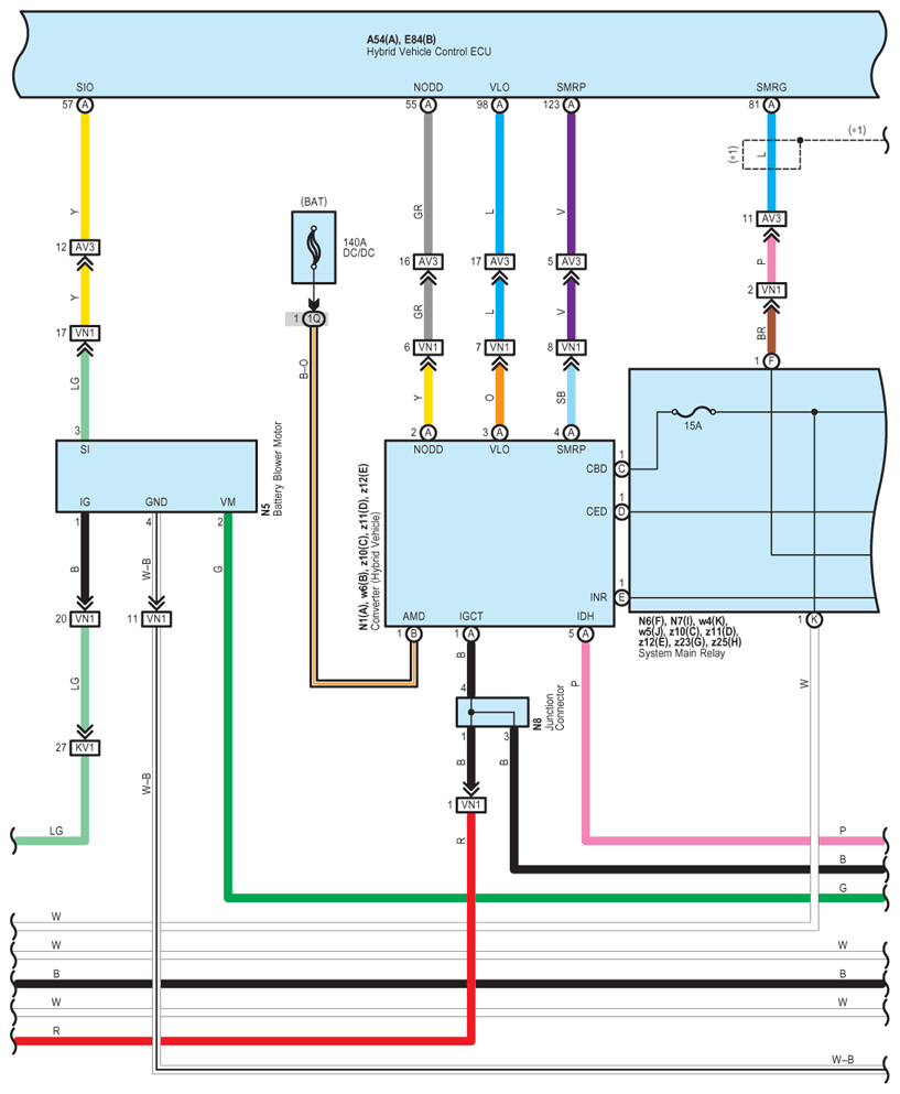
Fig 2: Hybrid System And Shift Control System - Circuit Diagram (2 Of 23)
G07616879Courtesy of © TOYOTA, LICENSE AGREEMENT TMS1002
Fig 3: Hybrid System And Shift Control System - Circuit Diagram (3 Of 23)
G07616880Courtesy of © TOYOTA, LICENSE AGREEMENT TMS1002
Fig 4: Hybrid System And Shift Control System - Circuit Diagram (4 Of 23)
G07616881Courtesy of © TOYOTA, LICENSE AGREEMENT TMS1002
Fig 5: Hybrid System And Shift Control System - Circuit Diagram (5 Of 23)
G07616882Courtesy of © TOYOTA, LICENSE AGREEMENT TMS1002
Fig 6: Hybrid System And Shift Control System - Circuit Diagram (6 Of 23)
G07616883Courtesy of © TOYOTA, LICENSE AGREEMENT TMS1002
Fig 7: Hybrid System And Shift Control System - Circuit Diagram (7 Of 23)
G07616884Courtesy of © TOYOTA, LICENSE AGREEMENT TMS1002
Fig 8: Hybrid System And Shift Control System - Circuit Diagram (8 Of 23)
G07616885Courtesy of © TOYOTA, LICENSE AGREEMENT TMS1002
Fig 9: Hybrid System And Shift Control System - Circuit Diagram (9 Of 23)
G07616886Courtesy of © TOYOTA, LICENSE AGREEMENT TMS1002
Fig 10: Hybrid System And Shift Control System - Circuit Diagram (10 Of 23)
G07616887Courtesy of © TOYOTA, LICENSE AGREEMENT TMS1002
Fig 11: Hybrid System And Shift Control System - Circuit Diagram (11 Of 23)
G07616888Courtesy of © TOYOTA, LICENSE AGREEMENT TMS1002
Fig 12: Hybrid System And Shift Control System - Circuit Diagram (12 Of 23)
G07616889Courtesy of © TOYOTA, LICENSE AGREEMENT TMS1002
Fig 13: Hybrid System And Shift Control System - Circuit Diagram (13 Of 23)
G07616890Courtesy of © TOYOTA, LICENSE AGREEMENT TMS1002
Fig 14: Hybrid System And Shift Control System - Circuit Diagram (14 Of 23)
G07616891Courtesy of © TOYOTA, LICENSE AGREEMENT TMS1002
Fig 15: Hybrid System And Shift Control System - Circuit Diagram (15 Of 23)
G07616892Courtesy of © TOYOTA, LICENSE AGREEMENT TMS1002
Fig 16: Hybrid System And Shift Control System - Circuit Diagram (16 Of 23)
G07616893Courtesy of © TOYOTA, LICENSE AGREEMENT TMS1002
Fig 17: Hybrid System And Shift Control System - Circuit Diagram (17 Of 23)
G07616894Courtesy of © TOYOTA, LICENSE AGREEMENT TMS1002
Fig 18: Hybrid System And Shift Control System - Circuit Diagram (18 Of 23)
G07616895Courtesy of © TOYOTA, LICENSE AGREEMENT TMS1002
Fig 19: Hybrid System And Shift Control System - Circuit Diagram (19 Of 23)
G07616896Courtesy of © TOYOTA, LICENSE AGREEMENT TMS1002
Fig 20: Hybrid System And Shift Control System - Circuit Diagram (20 Of 23)
G07616897Courtesy of © TOYOTA, LICENSE AGREEMENT TMS1002
Fig 21: Hybrid System And Shift Control System - Circuit Diagram (21 Of 23)
G07616898Courtesy of © TOYOTA, LICENSE AGREEMENT TMS1002
Fig 22: Hybrid System And Shift Control System - Circuit Diagram (22 Of 23)
G07616899Courtesy of © TOYOTA, LICENSE AGREEMENT TMS1002
Fig 23: Hybrid System And Shift Control System - Circuit Diagram (23 Of 23)
G07616900Courtesy of © TOYOTA, LICENSE AGREEMENT TMS1002