lemon-mirror:
Home >> Lexus >> 2009 >> GS 450h >> Repair and Diagnosis >> Electrical >> Body Electrical >> OEM System Circuits >> Illumination >> Notes

OEM System Circuits: Illumination: Notes

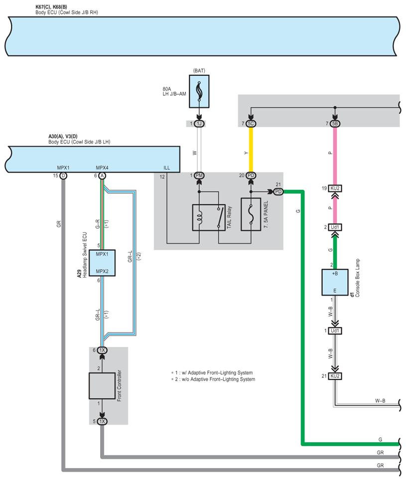
Fig 1: Illumination - Circuit Diagram (1 Of 10)
G07616963Courtesy of © TOYOTA, LICENSE AGREEMENT TMS1002
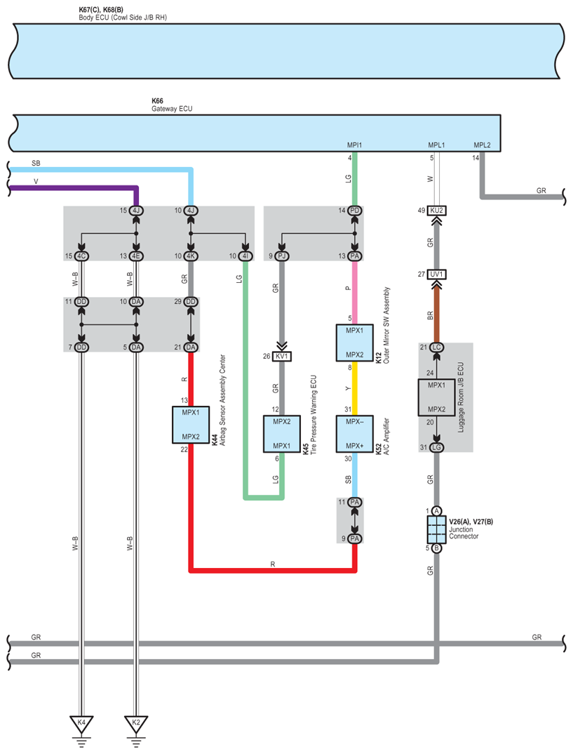
Fig 2: Illumination - Circuit Diagram (2 Of 10)
G07616964Courtesy of © TOYOTA, LICENSE AGREEMENT TMS1002
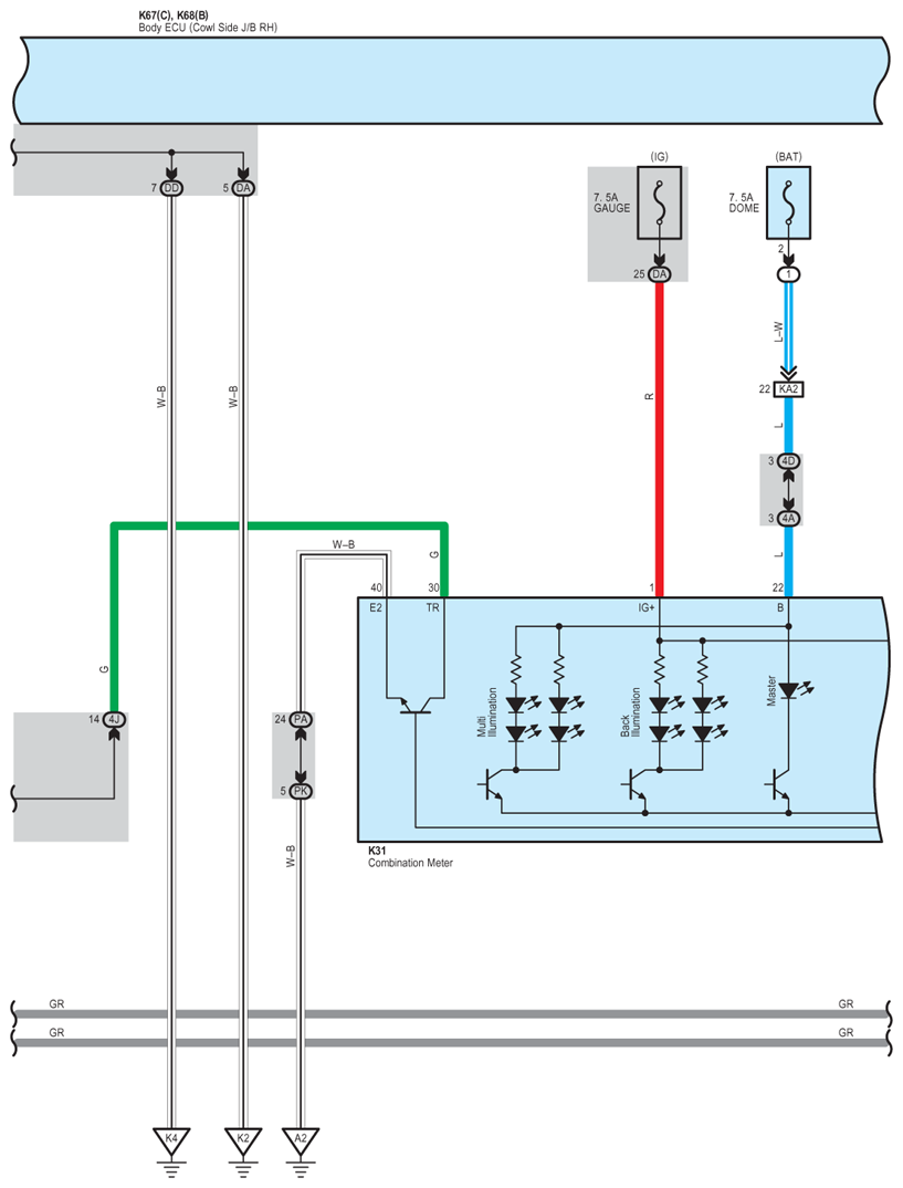
Fig 3: Illumination - Circuit Diagram (3 Of 10)
G07616965Courtesy of © TOYOTA, LICENSE AGREEMENT TMS1002
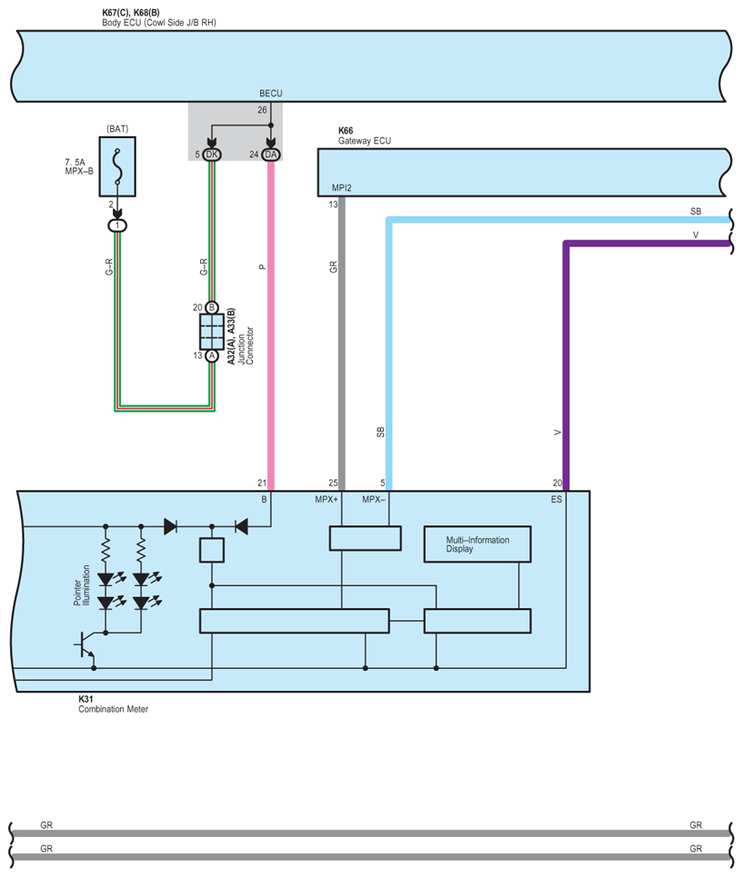
Fig 4: Illumination - Circuit Diagram (4 Of 10)
G07616966Courtesy of © TOYOTA, LICENSE AGREEMENT TMS1002
Fig 5: Illumination - Circuit Diagram (5 Of 10)
G07616967Courtesy of © TOYOTA, LICENSE AGREEMENT TMS1002
Fig 6: Illumination - Circuit Diagram (6 Of 10)
G07616968Courtesy of © TOYOTA, LICENSE AGREEMENT TMS1002
Fig 7: Illumination - Circuit Diagram (7 Of 10)
G07616969Courtesy of © TOYOTA, LICENSE AGREEMENT TMS1002
Fig 8: Illumination - Circuit Diagram (8 Of 10)
G07616970Courtesy of © TOYOTA, LICENSE AGREEMENT TMS1002
Fig 9: Illumination - Circuit Diagram (9 Of 10)
G07616971Courtesy of © TOYOTA, LICENSE AGREEMENT TMS1002
Fig 10: Illumination - Circuit Diagram (10 Of 10)
G07616972Courtesy of © TOYOTA, LICENSE AGREEMENT TMS1002