lemon-mirror:
Home >> Lexus >> 2009 >> GS 450h >> Repair and Diagnosis >> Electrical >> Body Electrical >> OEM System Circuits >> Multiplex Communication System (CAN) >> Notes

Multiplex Communication System (CAN): Notes

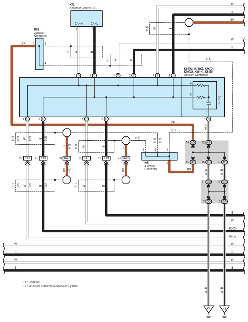
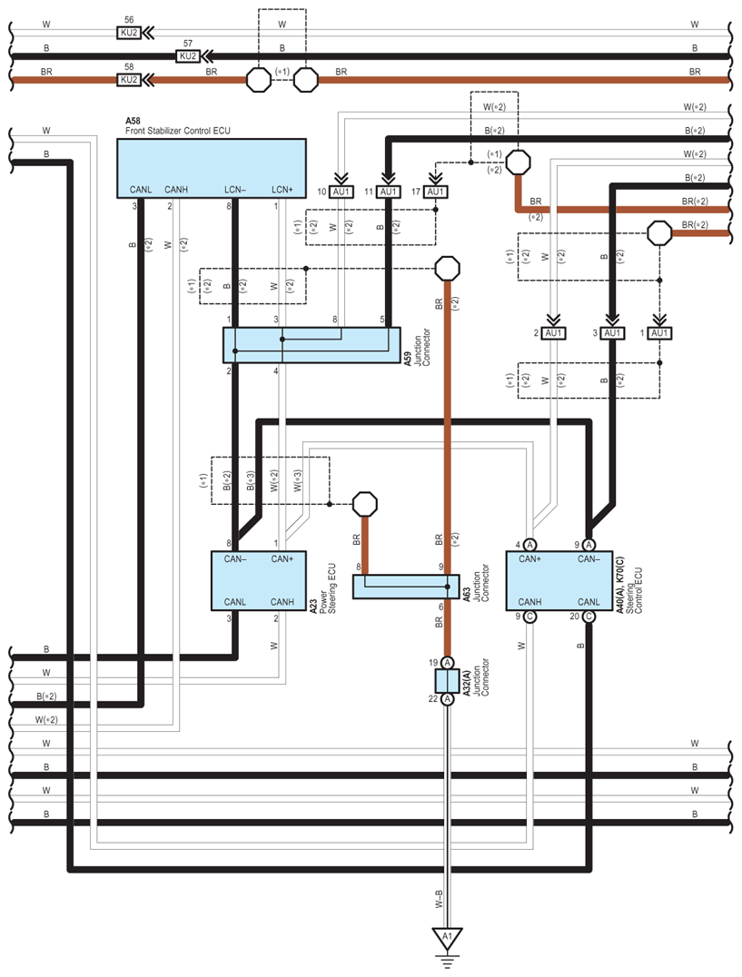
Fig 1: Multiplex Communication System (CAN) - Circuit Diagram (1 Of 8)
G07616926Courtesy of © TOYOTA, LICENSE AGREEMENT TMS1002
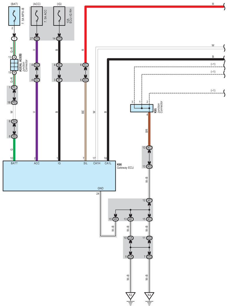
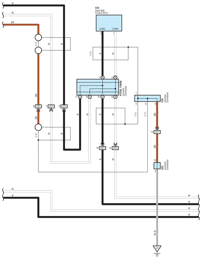
Fig 2: Multiplex Communication System (CAN) - Circuit Diagram (2 Of 8)
G07616927Courtesy of © TOYOTA, LICENSE AGREEMENT TMS1002
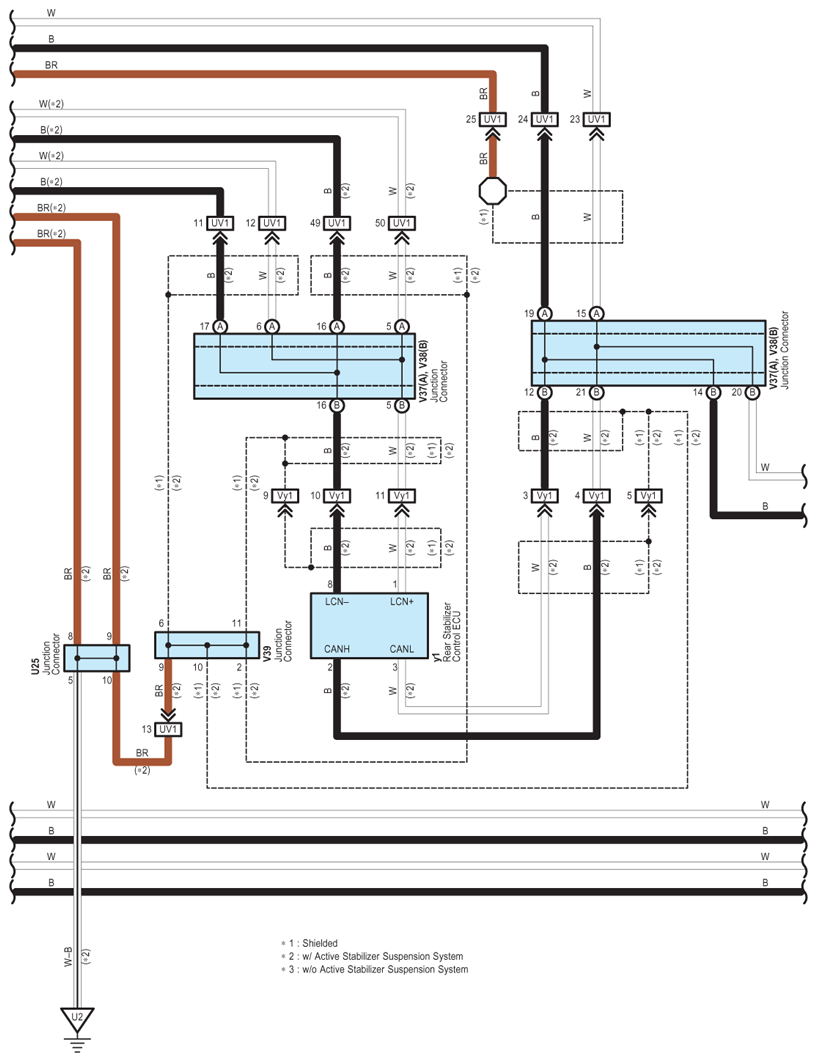
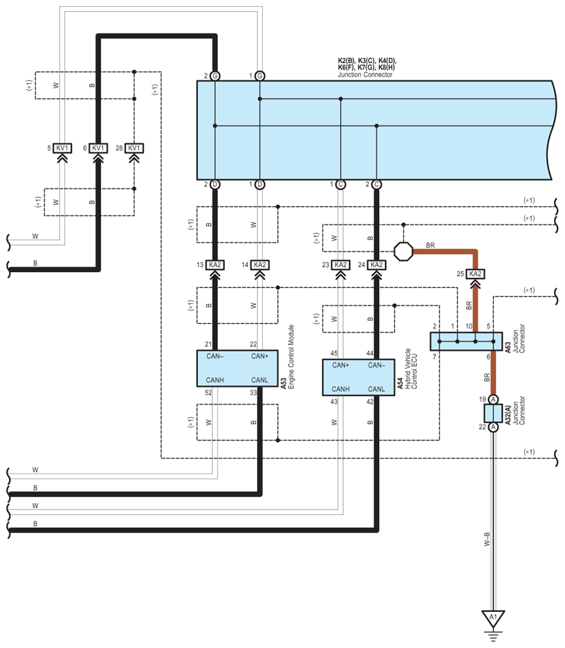
Fig 3: Multiplex Communication System (CAN) - Circuit Diagram (3 Of 8)
G07616928Courtesy of © TOYOTA, LICENSE AGREEMENT TMS1002
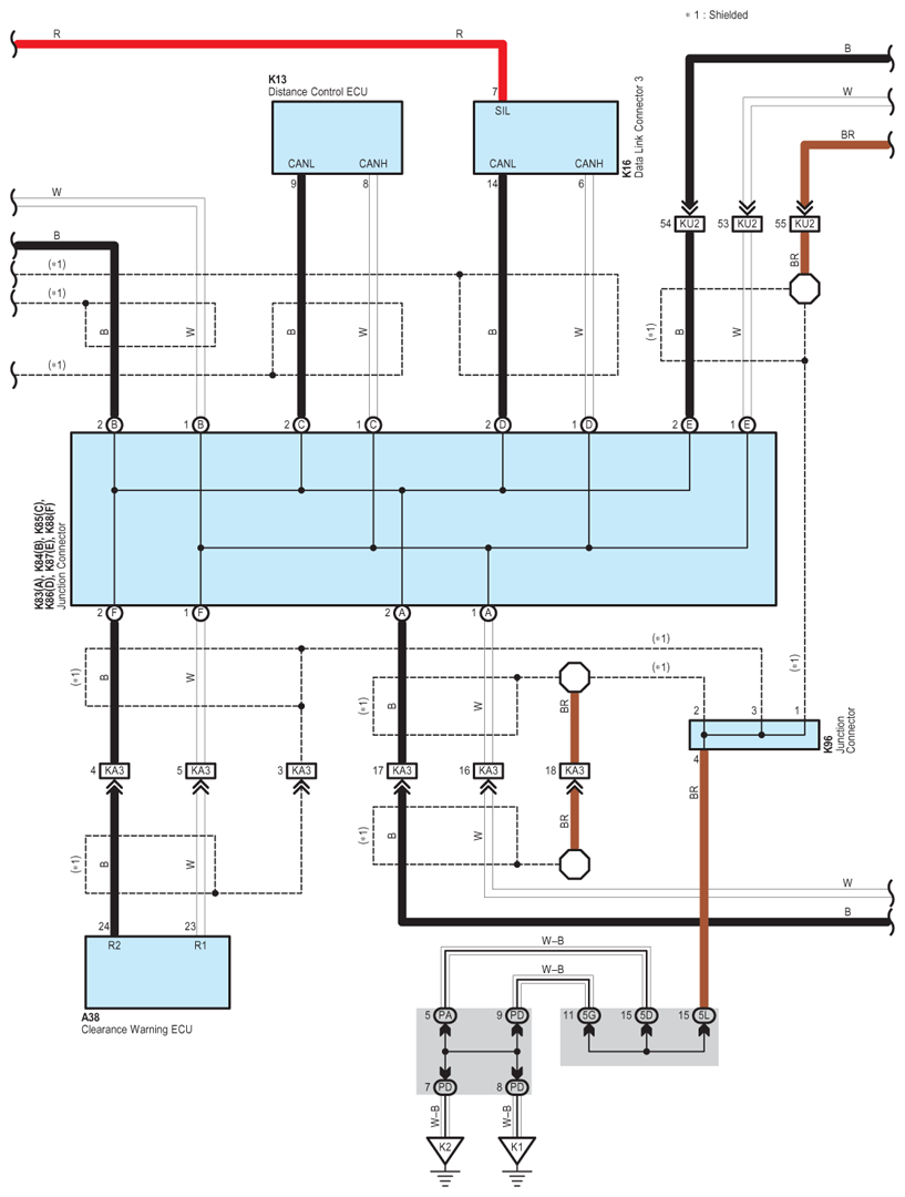
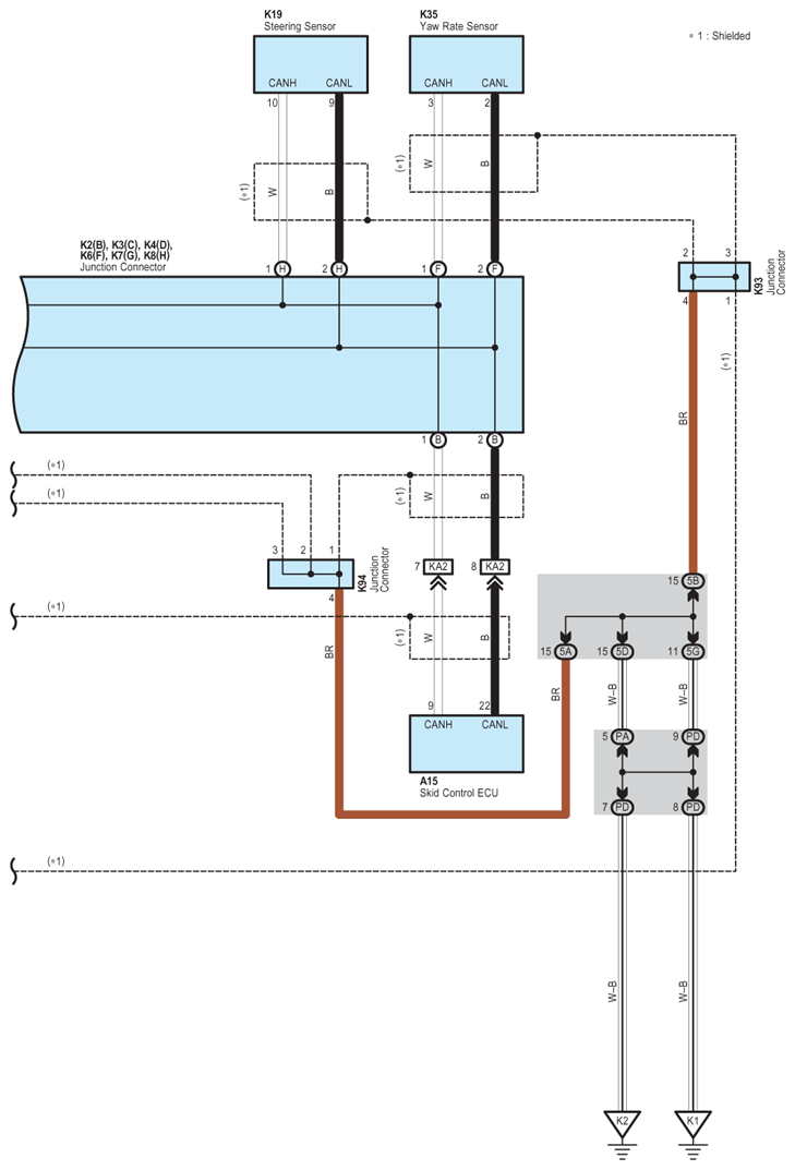
Fig 4: Multiplex Communication System (CAN) - Circuit Diagram (4 Of 8)
G07616929Courtesy of © TOYOTA, LICENSE AGREEMENT TMS1002
Fig 5: Multiplex Communication System (CAN) - Circuit Diagram (5 Of 8)
G07616930Courtesy of © TOYOTA, LICENSE AGREEMENT TMS1002
Fig 6: Multiplex Communication System (CAN) - Circuit Diagram (6 Of 8)
G07616931Courtesy of © TOYOTA, LICENSE AGREEMENT TMS1002
Fig 7: Multiplex Communication System (CAN) - Circuit Diagram (7 Of 8)
G07616932Courtesy of © TOYOTA, LICENSE AGREEMENT TMS1002
Fig 8: Multiplex Communication System (CAN) - Circuit Diagram (8 Of 8)
G07616933Courtesy of © TOYOTA, LICENSE AGREEMENT TMS1002