lemon-mirror:
Home >> Lexus >> 2009 >> GS 450h >> Repair and Diagnosis >> Electrical >> Body Electrical >> OEM System Circuits >> Taillight >> Notes

OEM System Circuits: Taillight: Notes

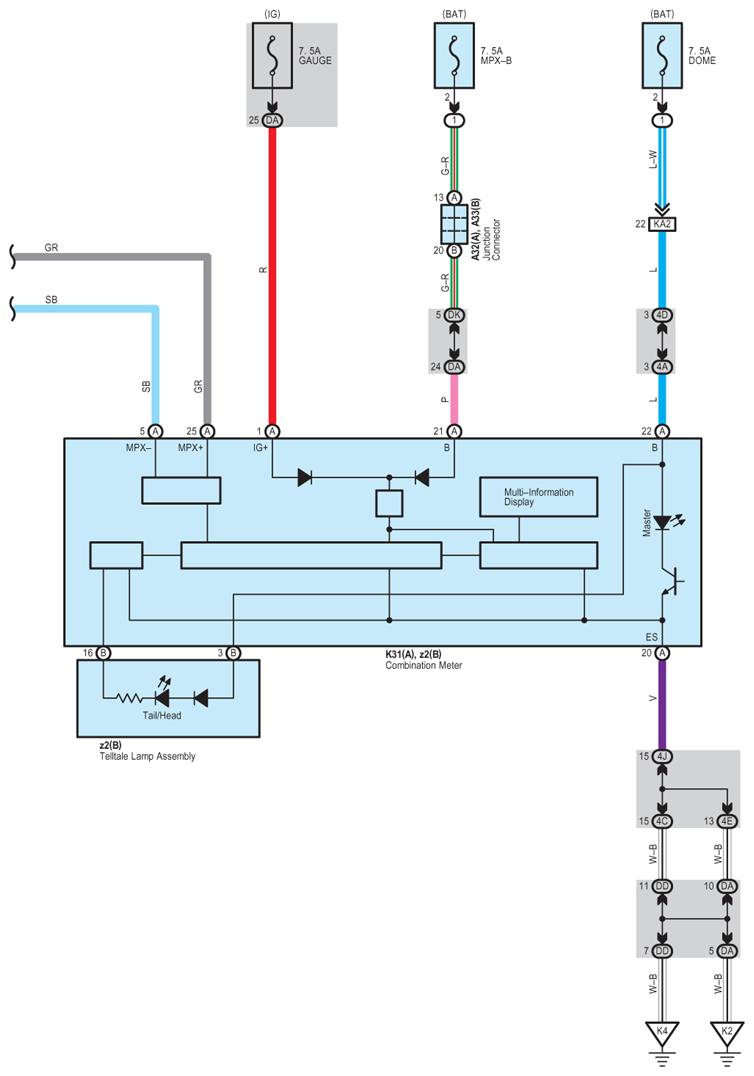
Fig 1: Taillight - Circuit Diagram (1 Of 6)
G07616957Courtesy of © TOYOTA, LICENSE AGREEMENT TMS1002
Fig 2: Taillight - Circuit Diagram (2 Of 6)
G07616958Courtesy of © TOYOTA, LICENSE AGREEMENT TMS1002
Fig 3: Taillight - Circuit Diagram (3 Of 6)
G07616959Courtesy of © TOYOTA, LICENSE AGREEMENT TMS1002
Fig 4: Taillight - Circuit Diagram (4 Of 6)
G07616960Courtesy of © TOYOTA, LICENSE AGREEMENT TMS1002
Fig 5: Taillight - Circuit Diagram (5 Of 6)
G07616961Courtesy of © TOYOTA, LICENSE AGREEMENT TMS1002
Fig 6: Taillight - Circuit Diagram (6 Of 6)
G07616962Courtesy of © TOYOTA, LICENSE AGREEMENT TMS1002