lemon-mirror:
Home >> Lexus >> 2009 >> GS 460 >> Repair and Diagnosis >> Electrical >> Body Electrical >> OEM System Circuits >> Automatic Light Control >> Notes

Automatic Light Control: Notes

Fig 1: Automatic Light Control - Circuit Diagram (1 Of 3)
G07595501Courtesy of © TOYOTA, LICENSE AGREEMENT TMS1002
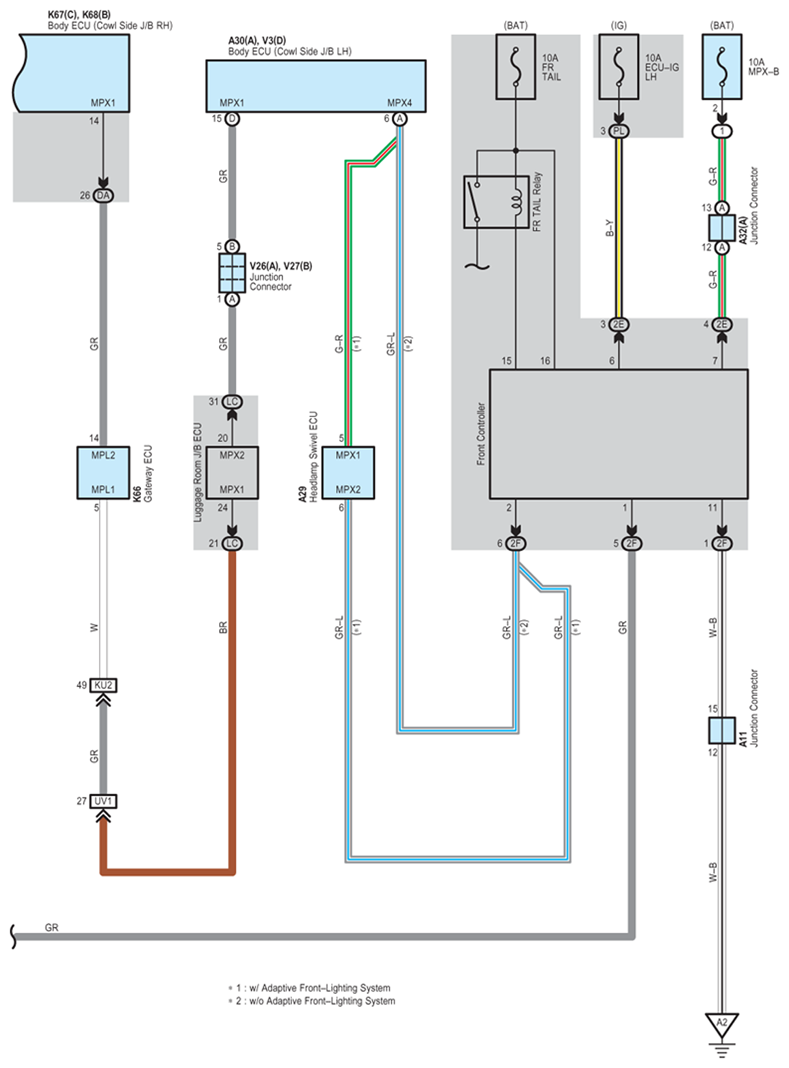
Fig 2: Automatic Light Control - Circuit Diagram (2 Of 3)
G07595502Courtesy of © TOYOTA, LICENSE AGREEMENT TMS1002
Fig 3: Automatic Light Control - Circuit Diagram (3 Of 3)
G07595503Courtesy of © TOYOTA, LICENSE AGREEMENT TMS1002