lemon-mirror:
Home >> Lexus >> 2009 >> GS 460 >> Repair and Diagnosis >> Electrical >> Body Electrical >> OEM System Circuits >> Back-Up Light >> Notes

Back-Up Light: Notes

Fig 1: Back-Up Light - Circuit Diagram (1 Of 3)
G07595488Courtesy of © TOYOTA, LICENSE AGREEMENT TMS1002
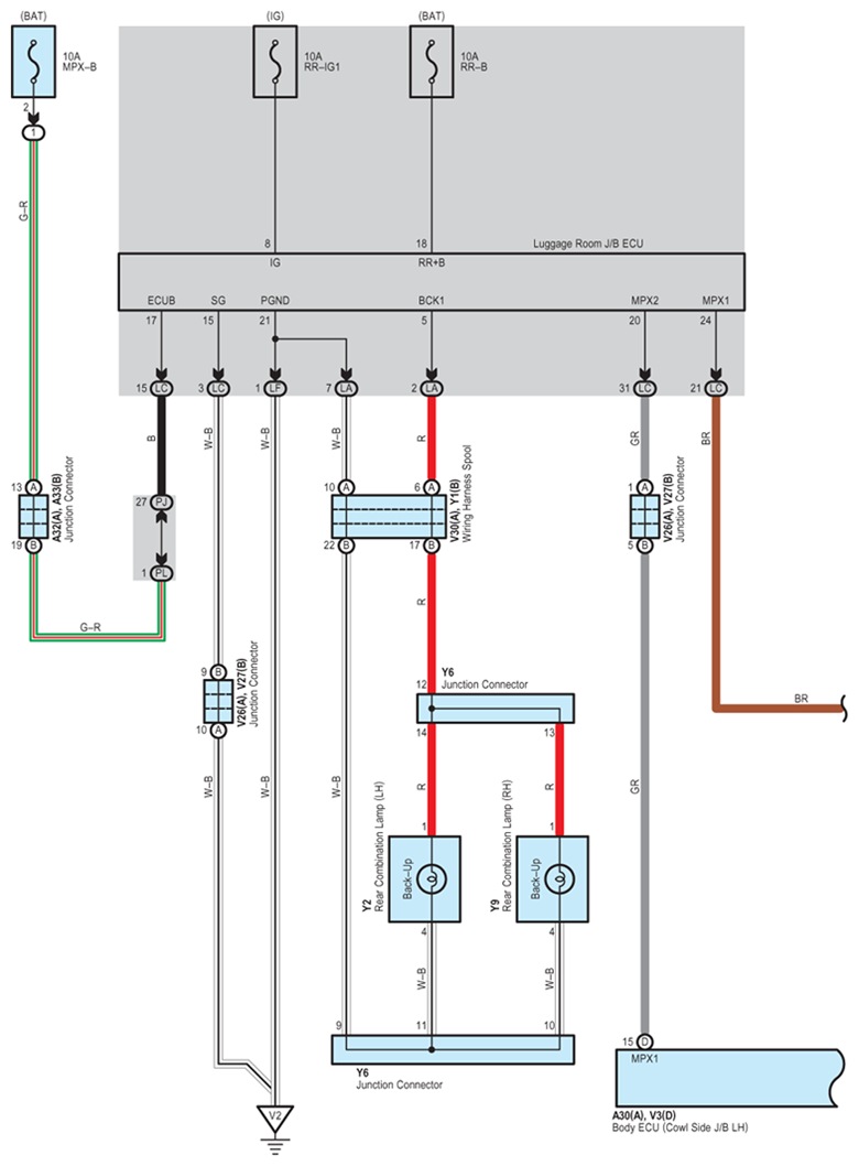
Fig 2: Back-Up Light - Circuit Diagram (2 Of 3)
G07595489Courtesy of © TOYOTA, LICENSE AGREEMENT TMS1002
Fig 3: Back-Up Light - Circuit Diagram (3 Of 3)
G07595490Courtesy of © TOYOTA, LICENSE AGREEMENT TMS1002