lemon-mirror:
Home >> Lexus >> 2009 >> GS 460 >> Repair and Diagnosis >> Electrical >> Body Electrical >> OEM System Circuits >> Cooling Fan >> Notes

Cooling Fan: Notes

Fig 1: Cooling Fan - Circuit Diagram (1 Of 4)
G07595833Courtesy of © TOYOTA, LICENSE AGREEMENT TMS1002
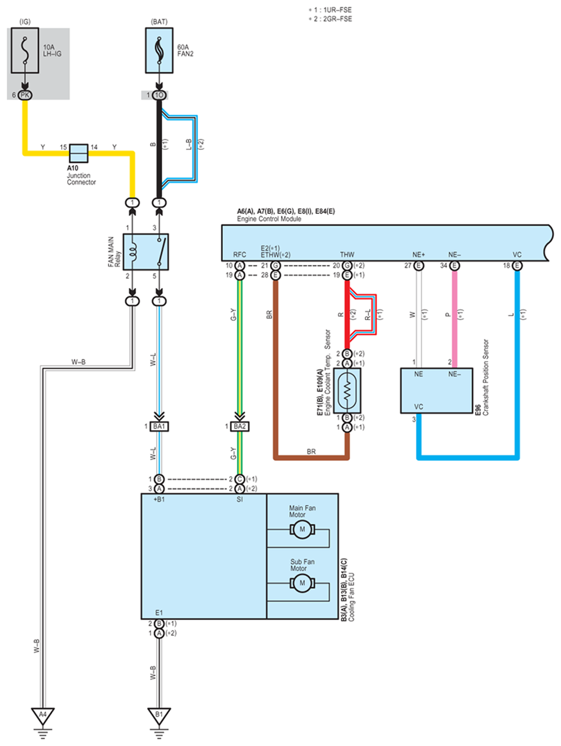
Fig 2: Cooling Fan - Circuit Diagram (2 Of 4)
G07595834Courtesy of © TOYOTA, LICENSE AGREEMENT TMS1002
Fig 3: Cooling Fan - Circuit Diagram (3 Of 4)
G07595835Courtesy of © TOYOTA, LICENSE AGREEMENT TMS1002
Fig 4: Cooling Fan - Circuit Diagram (4 Of 4)
G07595836Courtesy of © TOYOTA, LICENSE AGREEMENT TMS1002