lemon-mirror:
Home >> Lexus >> 2009 >> GS 460 >> Repair and Diagnosis >> Electrical >> Body Electrical >> OEM System Circuits >> Headlight Cleaner >> Notes

Headlight Cleaner: Notes

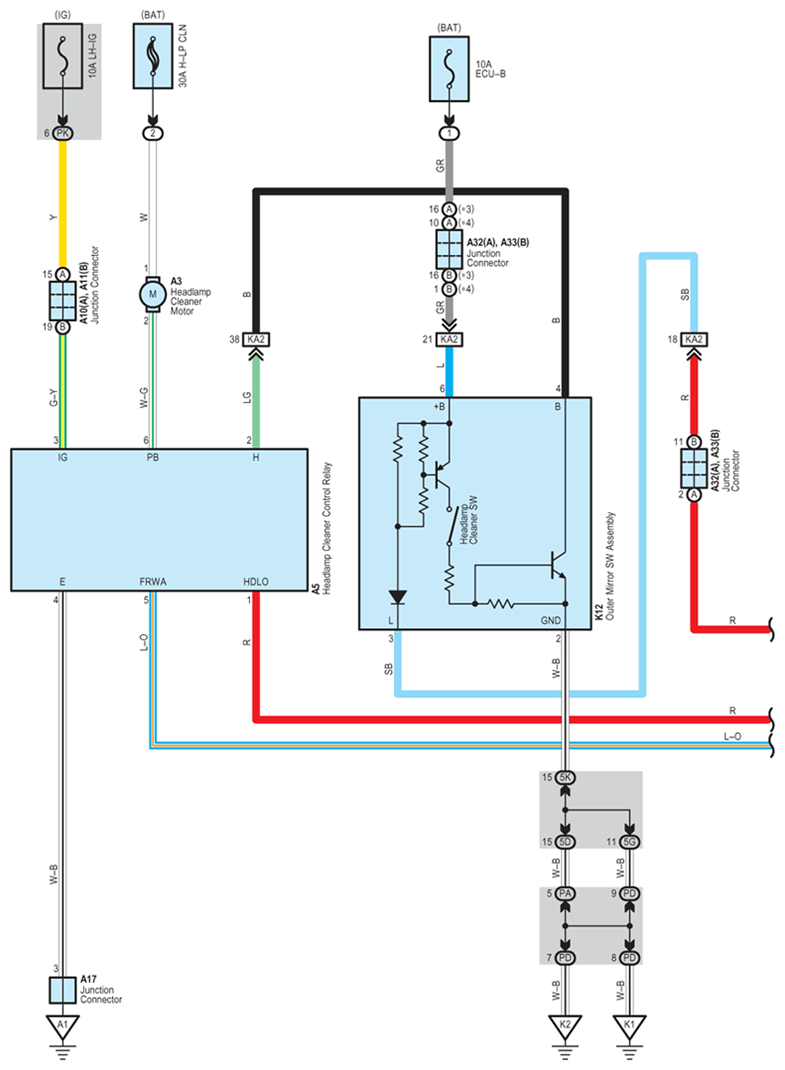
Fig 1: Headlight Cleaner - Circuit Diagram (1 Of 2)
G07595521Courtesy of © TOYOTA, LICENSE AGREEMENT TMS1002
Fig 2: Headlight Cleaner - Circuit Diagram (2 Of 2)
G07595522Courtesy of © TOYOTA, LICENSE AGREEMENT TMS1002