lemon-mirror:
Home >> Lexus >> 2009 >> GS 460 >> Repair and Diagnosis >> Electrical >> Body Electrical >> OEM System Circuits >> Interior Light >> Notes

Interior Light: Notes

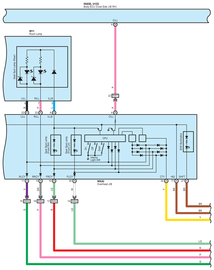
Fig 1: Interior Light - Circuit Diagram (1 Of 14)
G07595451Courtesy of © TOYOTA, LICENSE AGREEMENT TMS1002
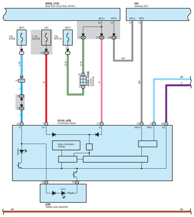
Fig 2: Interior Light - Circuit Diagram (2 Of 14)
G07595452Courtesy of © TOYOTA, LICENSE AGREEMENT TMS1002
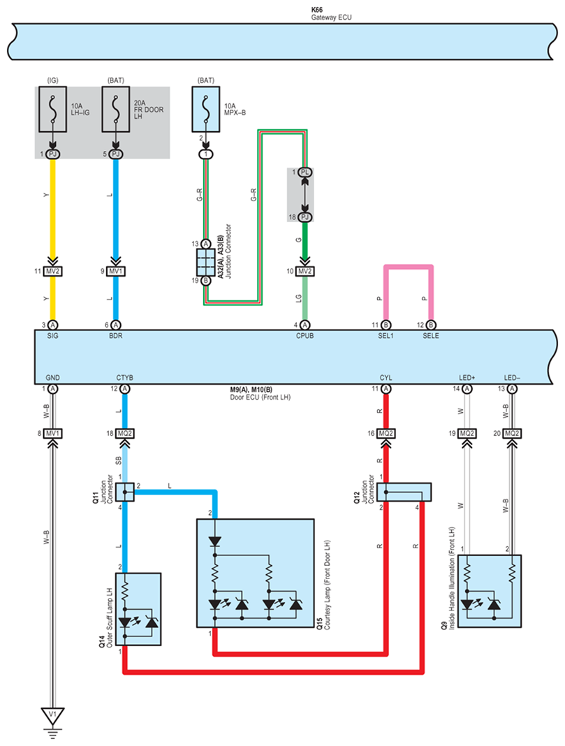
Fig 3: Interior Light - Circuit Diagram (3 Of 14)
G07595453Courtesy of © TOYOTA, LICENSE AGREEMENT TMS1002
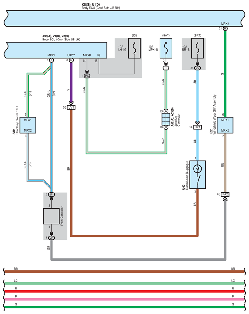
Fig 4: Interior Light - Circuit Diagram (4 Of 14)
G07595454Courtesy of © TOYOTA, LICENSE AGREEMENT TMS1002
Fig 5: Interior Light - Circuit Diagram (5 Of 14)
G07595455Courtesy of © TOYOTA, LICENSE AGREEMENT TMS1002
Fig 6: Interior Light - Circuit Diagram (6 Of 14)
G07595456Courtesy of © TOYOTA, LICENSE AGREEMENT TMS1002
Fig 7: Interior Light - Circuit Diagram (7 Of 14)
G07595457Courtesy of © TOYOTA, LICENSE AGREEMENT TMS1002
Fig 8: Interior Light - Circuit Diagram (8 Of 14)
G07595458Courtesy of © TOYOTA, LICENSE AGREEMENT TMS1002
Fig 9: Interior Light - Circuit Diagram (9 Of 14)
G07595459Courtesy of © TOYOTA, LICENSE AGREEMENT TMS1002
Fig 10: Interior Light - Circuit Diagram (10 Of 14)
G07595460Courtesy of © TOYOTA, LICENSE AGREEMENT TMS1002
Fig 11: Interior Light - Circuit Diagram (11 Of 14)
G07595461Courtesy of © TOYOTA, LICENSE AGREEMENT TMS1002
Fig 12: Interior Light - Circuit Diagram (12 Of 14)
G07595462Courtesy of © TOYOTA, LICENSE AGREEMENT TMS1002
Fig 13: Interior Light - Circuit Diagram (13 Of 14)
G07595463Courtesy of © TOYOTA, LICENSE AGREEMENT TMS1002
Fig 14: Interior Light - Circuit Diagram (14 Of 14)
G07595464Courtesy of © TOYOTA, LICENSE AGREEMENT TMS1002