lemon-mirror:
Home >> Lexus >> 2009 >> GS 460 >> Repair and Diagnosis >> Electrical >> Body Electrical >> OEM System Circuits >> Mirror Heater >> Notes

Mirror Heater: Notes

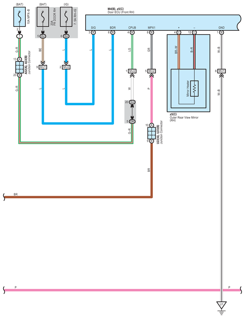
Fig 1: Mirror Heater - Circuit Diagram (1 Of 3)
G07595785Courtesy of © TOYOTA, LICENSE AGREEMENT TMS1002
Fig 2: Mirror Heater - Circuit Diagram (2 Of 3)
G07595786Courtesy of © TOYOTA, LICENSE AGREEMENT TMS1002
Fig 3: Mirror Heater - Circuit Diagram (3 Of 3)
G07595787Courtesy of © TOYOTA, LICENSE AGREEMENT TMS1002