lemon-mirror:
Home >> Lexus >> 2009 >> GS 460 >> Repair and Diagnosis >> Electrical >> Body Electrical >> OEM System Circuits >> Taillight >> Notes

OEM System Circuits: Taillight: Notes

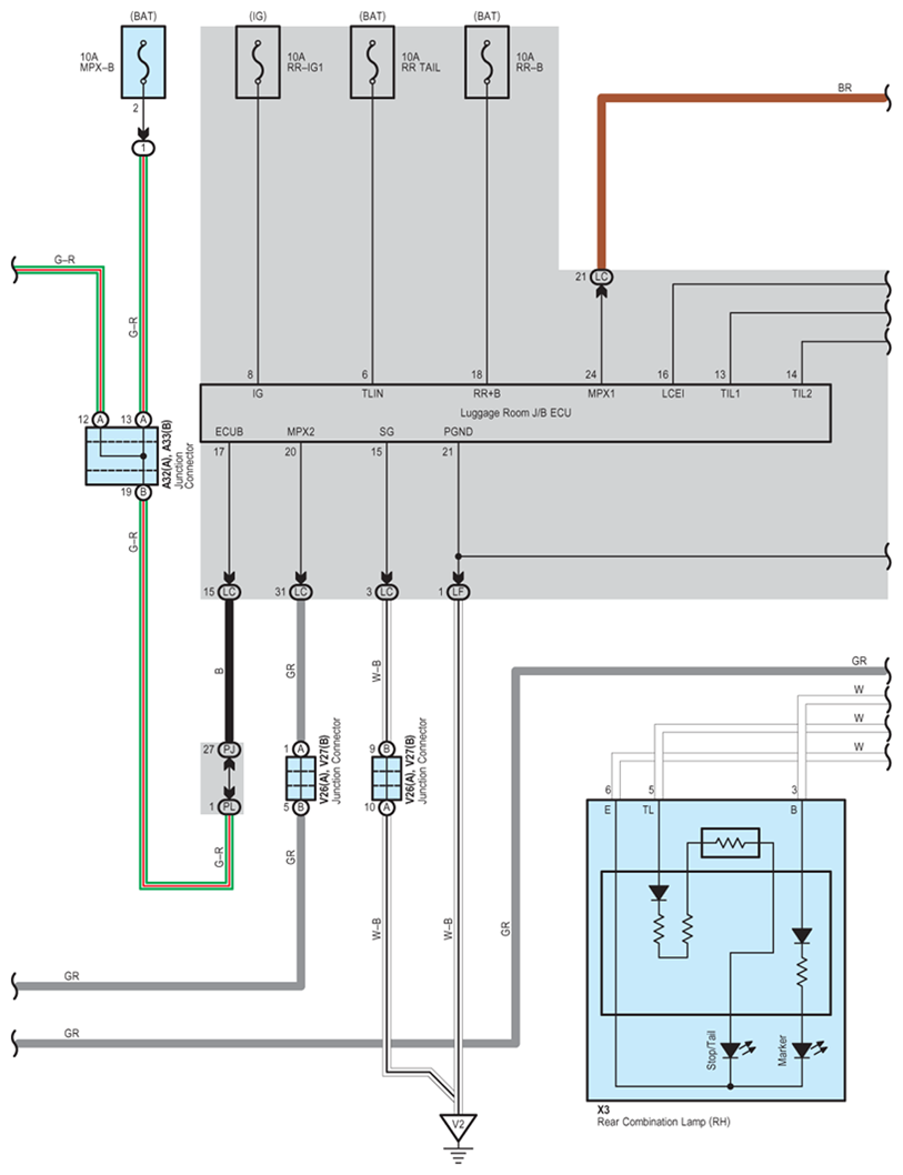
Fig 1: Taillight - Circuit Diagram (1 Of 7)
G07595479Courtesy of © TOYOTA, LICENSE AGREEMENT TMS1002
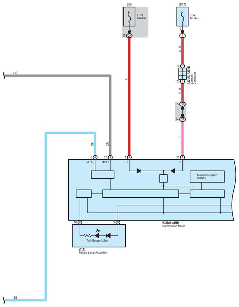
Fig 2: Taillight - Circuit Diagram (2 Of 7)
G07595480Courtesy of © TOYOTA, LICENSE AGREEMENT TMS1002
Fig 3: Taillight - Circuit Diagram (3 Of 7)
G07595481Courtesy of © TOYOTA, LICENSE AGREEMENT TMS1002
Fig 4: Taillight - Circuit Diagram (4 Of 7)
G07595482Courtesy of © TOYOTA, LICENSE AGREEMENT TMS1002
Fig 5: Taillight - Circuit Diagram (5 Of 7)
G07595483Courtesy of © TOYOTA, LICENSE AGREEMENT TMS1002
Fig 6: Taillight - Circuit Diagram (6 Of 7)
G07595484Courtesy of © TOYOTA, LICENSE AGREEMENT TMS1002
Fig 7: Taillight - Circuit Diagram (7 Of 7)
G07595485Courtesy of © TOYOTA, LICENSE AGREEMENT TMS1002