lemon-mirror:
Home >> Lexus >> 2009 >> GX 470 >> Repair and Diagnosis >> Electrical >> Body Electrical >> OEM System Circuits >> Accessory Meter >> Notes

Accessory Meter: Notes

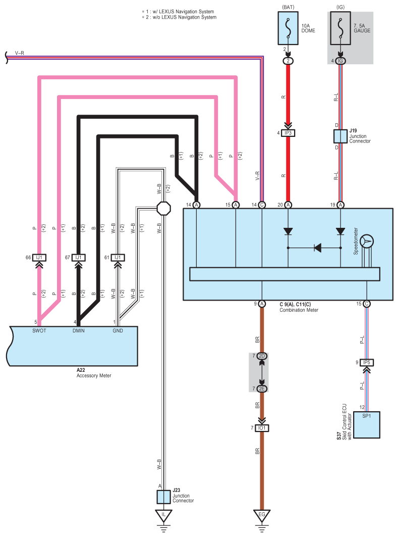
Fig 1: Accessory Meter - Circuit Diagram (1 Of 2)
G07619927Courtesy of © TOYOTA, LICENSE AGREEMENT TMS1002
Fig 2: Accessory Meter - Circuit Diagram (2 Of 2)
G07619928Courtesy of © TOYOTA, LICENSE AGREEMENT TMS1002