lemon-mirror:
Home >> Lexus >> 2009 >> GX 470 >> Repair and Diagnosis >> Electrical >> Body Electrical >> OEM System Circuits >> Audio System (w/ LEXUS Navigation System) >> Notes

Audio System (w/ LEXUS Navigation System): Notes

Fig 1: Audio System (W/ Lexus Navigation System) - Circuit Diagram (1 Of 9)
G07619939Courtesy of © TOYOTA, LICENSE AGREEMENT TMS1002
Fig 2: Audio System (W/ Lexus Navigation System) - Circuit Diagram (2 Of 9)
G07619940Courtesy of © TOYOTA, LICENSE AGREEMENT TMS1002
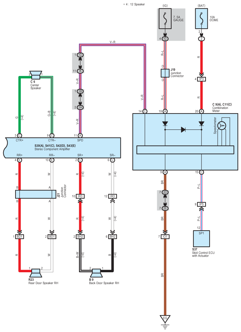
Fig 3: Audio System (W/ Lexus Navigation System) - Circuit Diagram (3 Of 9)
G07619941Courtesy of © TOYOTA, LICENSE AGREEMENT TMS1002
Fig 4: Audio System (W/ Lexus Navigation System) - Circuit Diagram (4 Of 9)
G07619942Courtesy of © TOYOTA, LICENSE AGREEMENT TMS1002
Fig 5: Audio System (W/ Lexus Navigation System) - Circuit Diagram (5 Of 9)
G07619943Courtesy of © TOYOTA, LICENSE AGREEMENT TMS1002
Fig 6: Audio System (W/ Lexus Navigation System) - Circuit Diagram (6 Of 9)
G07619944Courtesy of © TOYOTA, LICENSE AGREEMENT TMS1002
Fig 7: Audio System (W/ Lexus Navigation System) - Circuit Diagram (7 Of 9)
G07619945Courtesy of © TOYOTA, LICENSE AGREEMENT TMS1002
Fig 8: Audio System (W/ Lexus Navigation System) - Circuit Diagram (8 Of 9)
G07619946Courtesy of © TOYOTA, LICENSE AGREEMENT TMS1002
Fig 9: Audio System (W/ Lexus Navigation System) - Circuit Diagram (9 Of 9)
G07619947Courtesy of © TOYOTA, LICENSE AGREEMENT TMS1002