lemon-mirror:
Home >> Lexus >> 2009 >> GX 470 >> Repair and Diagnosis >> Electrical >> Body Electrical >> OEM System Circuits >> Engine Immobiliser System >> Notes

Engine Immobiliser System: Notes

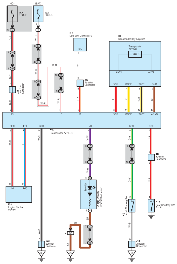
Fig 1: Engine Immobiliser System - Circuit Diagram
G07619787Courtesy of © TOYOTA, LICENSE AGREEMENT TMS1002