lemon-mirror:
Home >> Lexus >> 2009 >> GX 470 >> Repair and Diagnosis >> Electrical >> Body Electrical >> OEM System Circuits >> Front Air Conditioning >> Notes

Front Air Conditioning: Notes

Fig 1: Front Air Conditioning - Circuit Diagram (1 Of 8)
G07619963Courtesy of © TOYOTA, LICENSE AGREEMENT TMS1002
Fig 2: Front Air Conditioning - Circuit Diagram (2 Of 8)
G07619964Courtesy of © TOYOTA, LICENSE AGREEMENT TMS1002
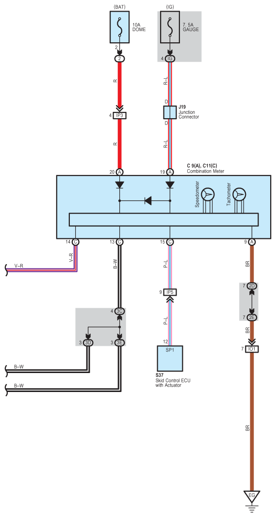
Fig 3: Front Air Conditioning - Circuit Diagram (3 Of 8)
G07619965Courtesy of © TOYOTA, LICENSE AGREEMENT TMS1002
Fig 4: Front Air Conditioning - Circuit Diagram (4 Of 8)
G07619966Courtesy of © TOYOTA, LICENSE AGREEMENT TMS1002
Fig 5: Front Air Conditioning - Circuit Diagram (5 Of 8)
G07619967Courtesy of © TOYOTA, LICENSE AGREEMENT TMS1002
Fig 6: Front Air Conditioning - Circuit Diagram (6 Of 8)
G07619968Courtesy of © TOYOTA, LICENSE AGREEMENT TMS1002
Fig 7: Front Air Conditioning - Circuit Diagram (7 Of 8)
G07619969Courtesy of © TOYOTA, LICENSE AGREEMENT TMS1002
Fig 8: Front Air Conditioning - Circuit Diagram (8 Of 8)
G07619970Courtesy of © TOYOTA, LICENSE AGREEMENT TMS1002