lemon-mirror:
Home >> Lexus >> 2009 >> GX 470 >> Repair and Diagnosis >> Electrical >> Body Electrical >> OEM System Circuits >> Moon Roof >> Notes

Moon Roof: Notes

Fig 1: Moon Roof - Circuit Diagram (1 Of 3)
G07619902Courtesy of © TOYOTA, LICENSE AGREEMENT TMS1002
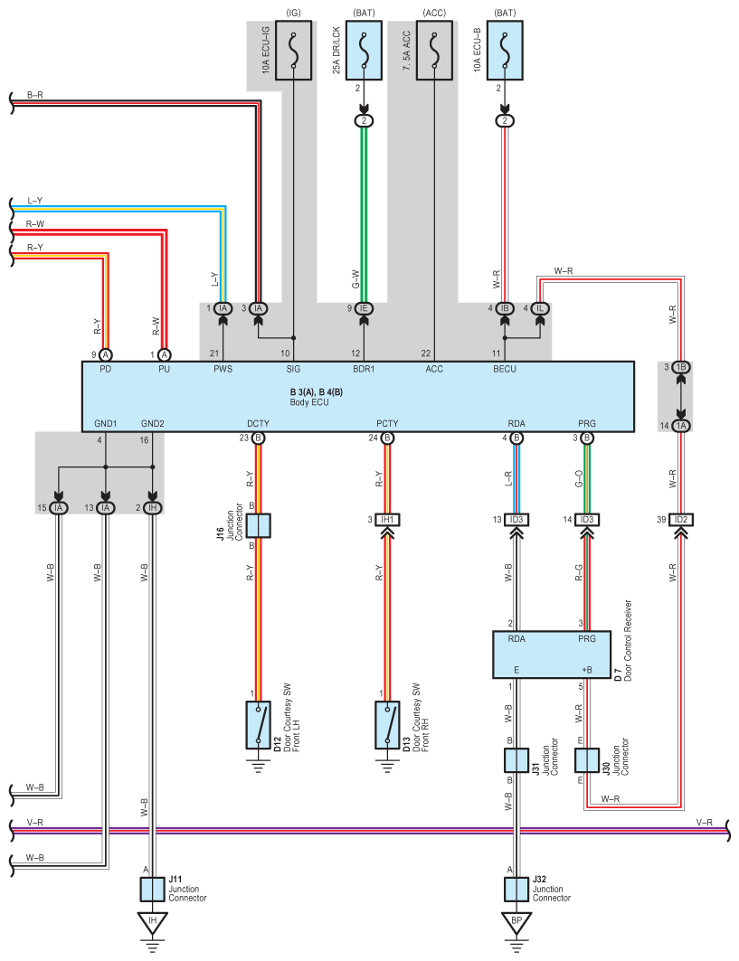
Fig 2: Moon Roof - Circuit Diagram (2 Of 3)
G07619903Courtesy of © TOYOTA, LICENSE AGREEMENT TMS1002
Fig 3: Moon Roof - Circuit Diagram (3 Of 3)
G07619904Courtesy of © TOYOTA, LICENSE AGREEMENT TMS1002