lemon-mirror:
Home >> Lexus >> 2009 >> GX 470 >> Repair and Diagnosis >> Electrical >> Body Electrical >> OEM System Circuits >> Multiplex Communication System (BEAN) >> Notes

Multiplex Communication System (BEAN): Notes

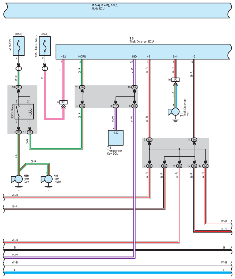
Fig 1: Multiplex Communication System (BEAN) - Circuit Diagram (1 Of 21)
G07619790Courtesy of © TOYOTA, LICENSE AGREEMENT TMS1002
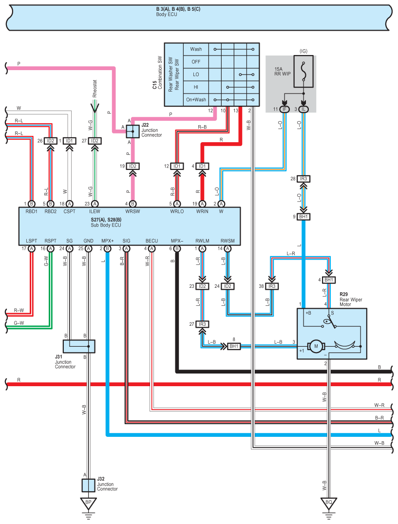
Fig 2: Multiplex Communication System (BEAN) - Circuit Diagram (2 Of 21)
G07619791Courtesy of © TOYOTA, LICENSE AGREEMENT TMS1002
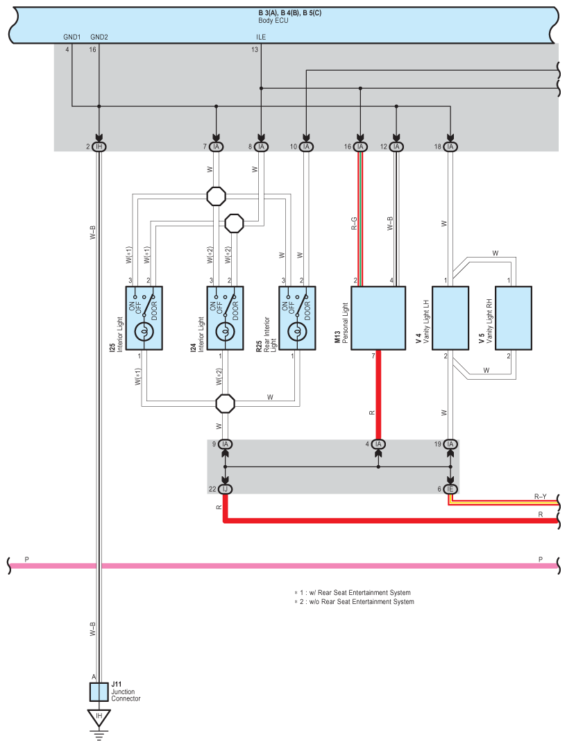
Fig 3: Multiplex Communication System (BEAN) - Circuit Diagram (3 Of 21)
G07619792Courtesy of © TOYOTA, LICENSE AGREEMENT TMS1002
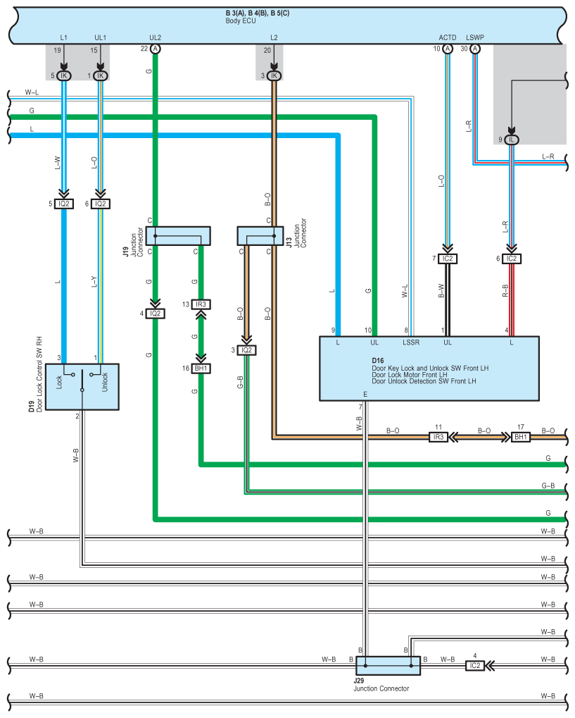
Fig 4: Multiplex Communication System (BEAN) - Circuit Diagram (4 Of 21)
G07619793Courtesy of © TOYOTA, LICENSE AGREEMENT TMS1002
Fig 5: Multiplex Communication System (BEAN) - Circuit Diagram (5 Of 21)
G07619794Courtesy of © TOYOTA, LICENSE AGREEMENT TMS1002
Fig 6: Multiplex Communication System (BEAN) - Circuit Diagram (6 Of 21)
G07619795Courtesy of © TOYOTA, LICENSE AGREEMENT TMS1002
Fig 7: Multiplex Communication System (BEAN) - Circuit Diagram (7 Of 21)
G07619796Courtesy of © TOYOTA, LICENSE AGREEMENT TMS1002
Fig 8: Multiplex Communication System (BEAN) - Circuit Diagram (8 Of 21)
G07619797Courtesy of © TOYOTA, LICENSE AGREEMENT TMS1002
Fig 9: Multiplex Communication System (BEAN) - Circuit Diagram (9 Of 21)
G07619798Courtesy of © TOYOTA, LICENSE AGREEMENT TMS1002
Fig 10: Multiplex Communication System (BEAN) - Circuit Diagram (10 Of 21)
G07619799Courtesy of © TOYOTA, LICENSE AGREEMENT TMS1002
Fig 11: Multiplex Communication System (BEAN) - Circuit Diagram (11 Of 21)
G07619800Courtesy of © TOYOTA, LICENSE AGREEMENT TMS1002
Fig 12: Multiplex Communication System (BEAN) - Circuit Diagram (12 Of 21)
G07619801Courtesy of © TOYOTA, LICENSE AGREEMENT TMS1002
Fig 13: Multiplex Communication System (BEAN) - Circuit Diagram (13 Of 21)
G07619802Courtesy of © TOYOTA, LICENSE AGREEMENT TMS1002
Fig 14: Multiplex Communication System (BEAN) - Circuit Diagram (14 Of 21)
G07619803Courtesy of © TOYOTA, LICENSE AGREEMENT TMS1002
Fig 15: Multiplex Communication System (BEAN) - Circuit Diagram (15 Of 21)
G07619804Courtesy of © TOYOTA, LICENSE AGREEMENT TMS1002
Fig 16: Multiplex Communication System (BEAN) - Circuit Diagram (16 Of 21)
G07619805Courtesy of © TOYOTA, LICENSE AGREEMENT TMS1002
Fig 17: Multiplex Communication System (BEAN) - Circuit Diagram (17 Of 21)
G07619806Courtesy of © TOYOTA, LICENSE AGREEMENT TMS1002
Fig 18: Multiplex Communication System (BEAN) - Circuit Diagram (18 Of 21)
G07619807Courtesy of © TOYOTA, LICENSE AGREEMENT TMS1002
Fig 19: Multiplex Communication System (BEAN) - Circuit Diagram (19 Of 21)
G07619808Courtesy of © TOYOTA, LICENSE AGREEMENT TMS1002
Fig 20: Multiplex Communication System (BEAN) - Circuit Diagram (20 Of 21)
G07619809Courtesy of © TOYOTA, LICENSE AGREEMENT TMS1002
Fig 21: Multiplex Communication System (BEAN) - Circuit Diagram (21 Of 21)
G07619810Courtesy of © TOYOTA, LICENSE AGREEMENT TMS1002