lemon-mirror:
Home >> Lexus >> 2009 >> GX 470 >> Repair and Diagnosis >> Electrical >> Body Electrical >> OEM System Circuits >> Rear Window Defogger >> Notes

Rear Window Defogger: Notes

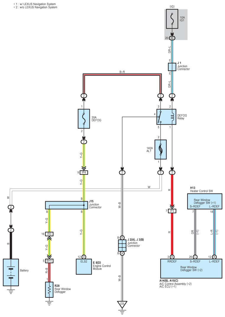
Fig 1: Rear Window Defogger - Circuit Diagram
G07619925Courtesy of © TOYOTA, LICENSE AGREEMENT TMS1002