lemon-mirror:
Home >> Lexus >> 2009 >> IS F >> Repair and Diagnosis >> Electrical >> Body Electrical >> OEM System Circuits >> Back-Up Light >> Notes

Back-Up Light: Notes

Fig 1: Back-Up Light - Circuit Diagram (1 Of 2)
G07617598Courtesy of © TOYOTA, LICENSE AGREEMENT TMS1002
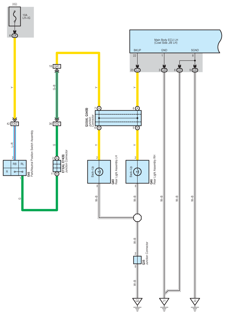
Fig 2: Back-Up Light - Circuit Diagram (2 Of 2)
G07617599Courtesy of © TOYOTA, LICENSE AGREEMENT TMS1002