lemon-mirror:
Home >> Lexus >> 2009 >> IS F >> Repair and Diagnosis >> Electrical >> Body Electrical >> OEM System Circuits >> Combination Meter >> Notes

Combination Meter: Notes

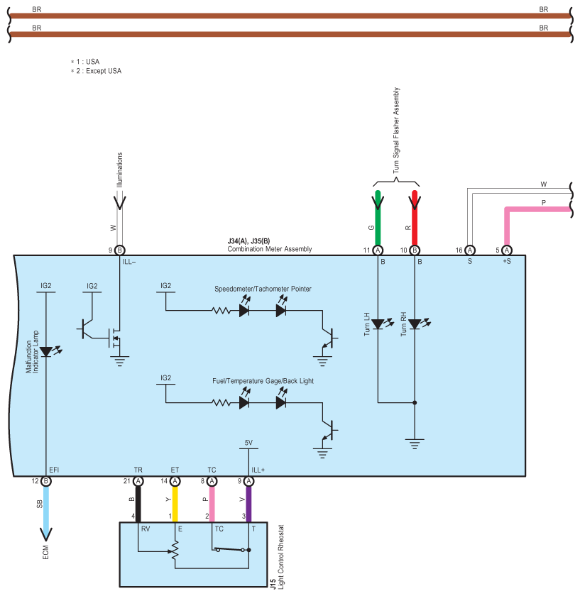
Fig 1: Combination Meter - Circuit Diagram (1 Of 9)
G07617776Courtesy of © TOYOTA, LICENSE AGREEMENT TMS1002
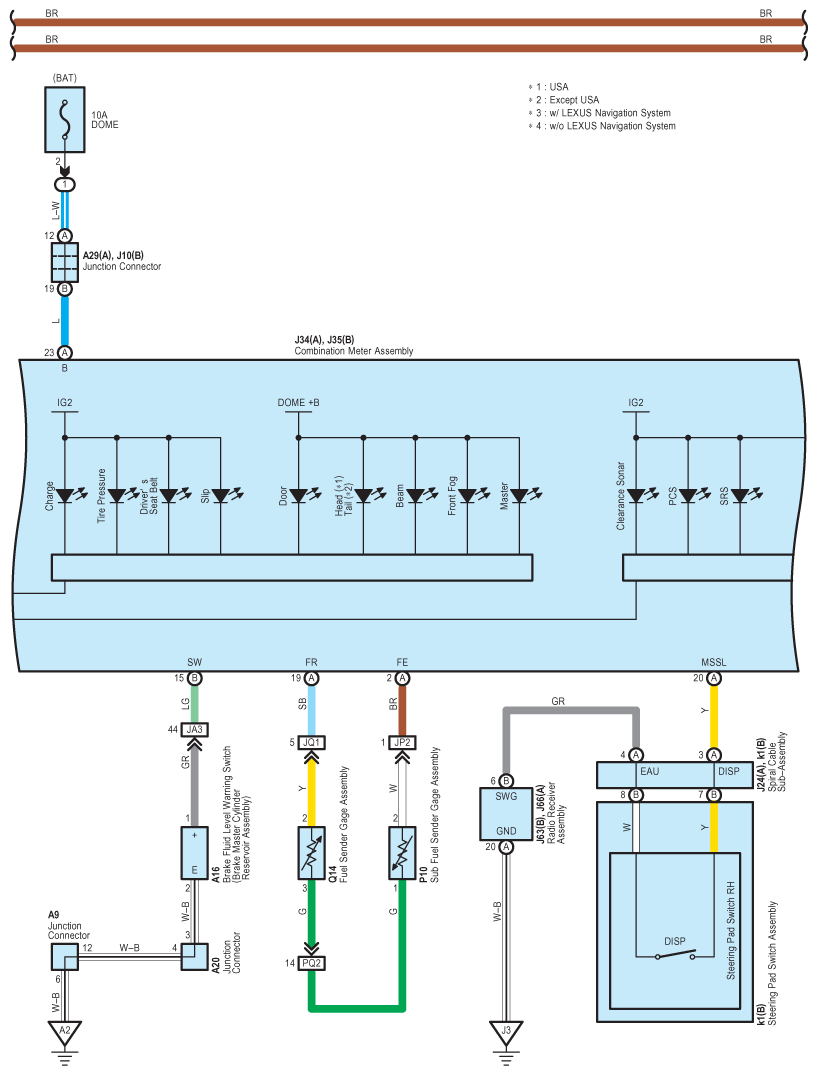
Fig 2: Combination Meter - Circuit Diagram (2 Of 9)
G07617777Courtesy of © TOYOTA, LICENSE AGREEMENT TMS1002
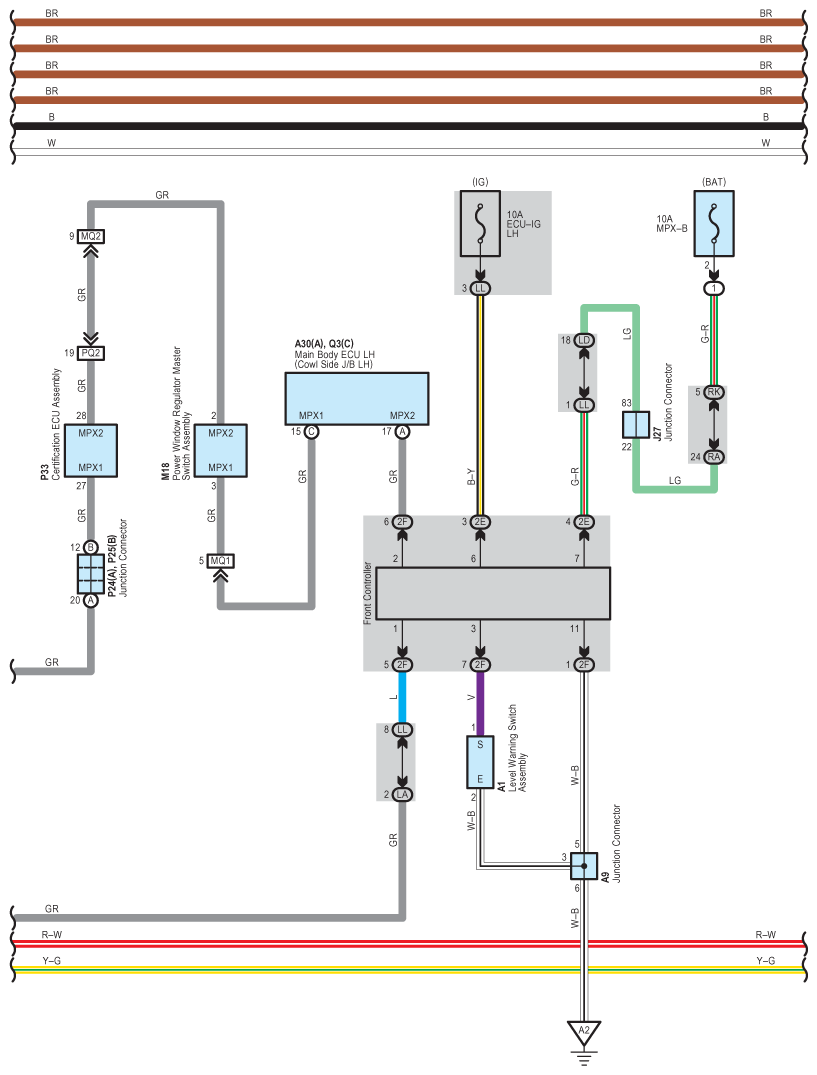
Fig 3: Combination Meter - Circuit Diagram (3 Of 9)
G07617778Courtesy of © TOYOTA, LICENSE AGREEMENT TMS1002
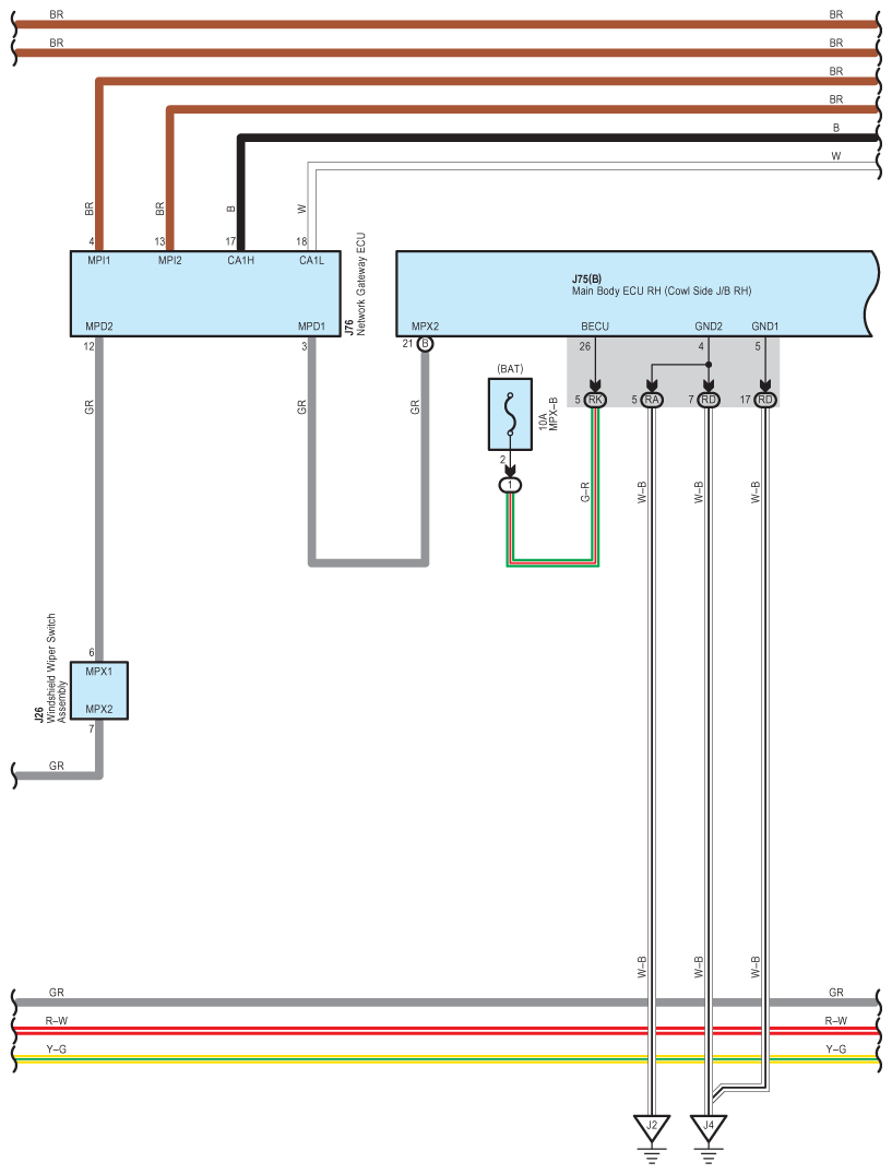
Fig 4: Combination Meter - Circuit Diagram (4 Of 9)
G07617779Courtesy of © TOYOTA, LICENSE AGREEMENT TMS1002
Fig 5: Combination Meter - Circuit Diagram (5 Of 9)
G07617780Courtesy of © TOYOTA, LICENSE AGREEMENT TMS1002
Fig 6: Combination Meter - Circuit Diagram (6 Of 9)
G07617781Courtesy of © TOYOTA, LICENSE AGREEMENT TMS1002
Fig 7: Combination Meter - Circuit Diagram (7 Of 9)
G07617782Courtesy of © TOYOTA, LICENSE AGREEMENT TMS1002
Fig 8: Combination Meter - Circuit Diagram (8 Of 9)
G07617783Courtesy of © TOYOTA, LICENSE AGREEMENT TMS1002
Fig 9: Combination Meter - Circuit Diagram (9 Of 9)
G07617784Courtesy of © TOYOTA, LICENSE AGREEMENT TMS1002