lemon-mirror:
Home >> Lexus >> 2009 >> IS F >> Repair and Diagnosis >> Electrical >> Body Electrical >> OEM System Circuits >> Illumination >> Notes

OEM System Circuits: Illumination: Notes

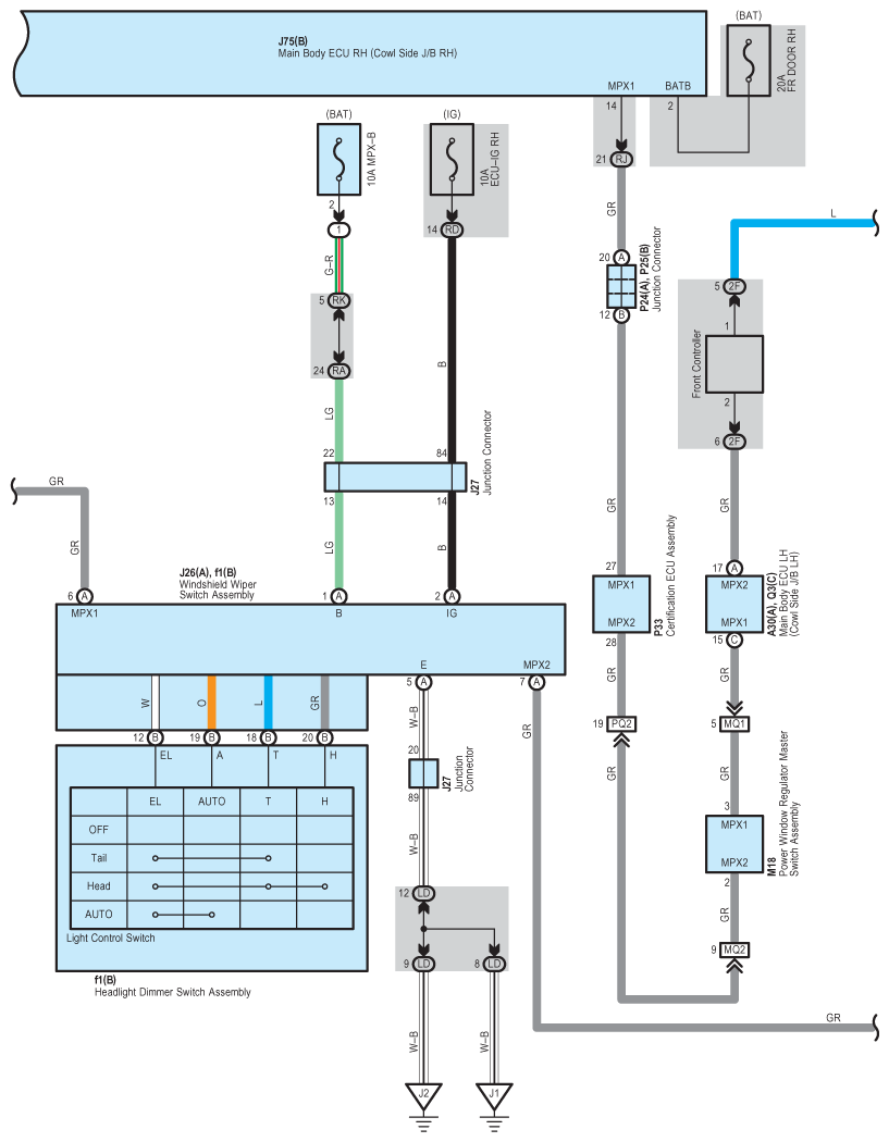
Fig 1: Illumination - Circuit Diagram (1 Of 8)
G07617580Courtesy of © TOYOTA, LICENSE AGREEMENT TMS1002
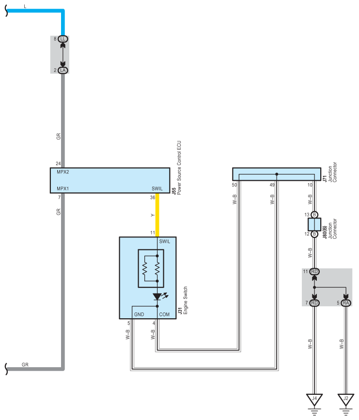
Fig 2: Illumination - Circuit Diagram (2 Of 8)
G07617581Courtesy of © TOYOTA, LICENSE AGREEMENT TMS1002
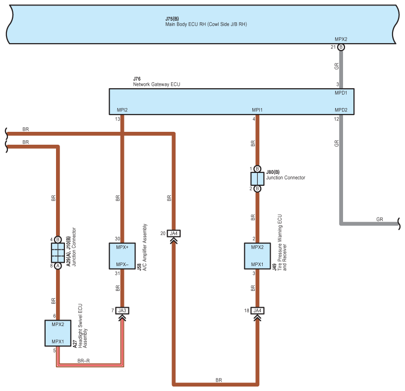
Fig 3: Illumination - Circuit Diagram (3 Of 8)
G07617582Courtesy of © TOYOTA, LICENSE AGREEMENT TMS1002
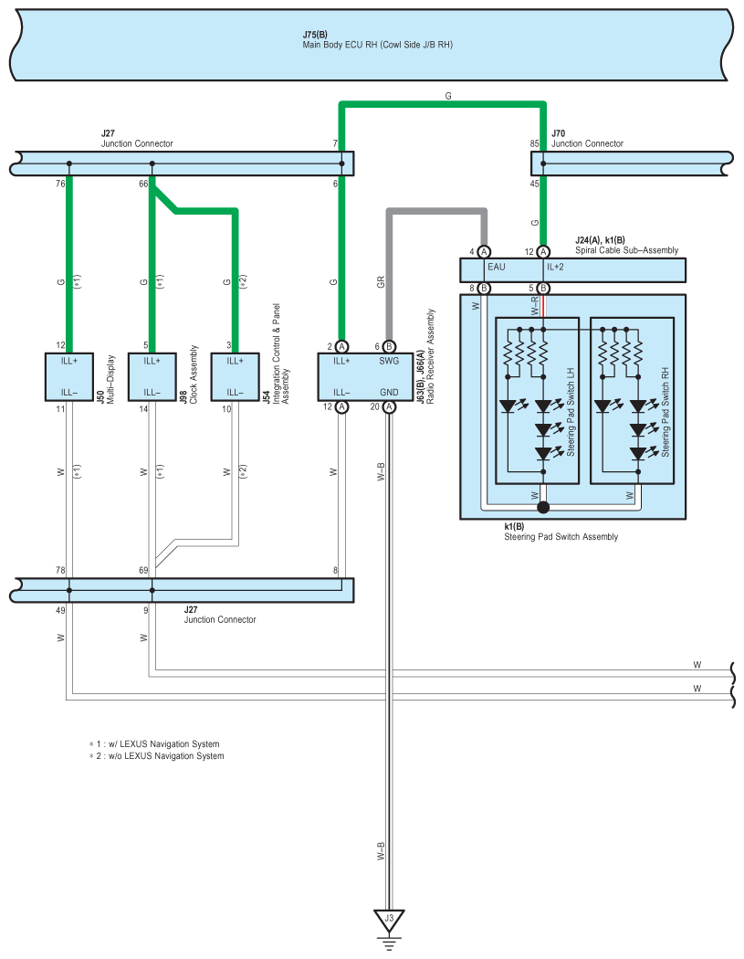
Fig 4: Illumination - Circuit Diagram (4 Of 8)
G07617583Courtesy of © TOYOTA, LICENSE AGREEMENT TMS1002
Fig 5: Illumination - Circuit Diagram (5 Of 8)
G07617584Courtesy of © TOYOTA, LICENSE AGREEMENT TMS1002
Fig 6: Illumination - Circuit Diagram (6 Of 8)
G07617585Courtesy of © TOYOTA, LICENSE AGREEMENT TMS1002
Fig 7: Illumination - Circuit Diagram (7 Of 8)
G07617586Courtesy of © TOYOTA, LICENSE AGREEMENT TMS1002
Fig 8: Illumination - Circuit Diagram (8 Of 8)
G07617587Courtesy of © TOYOTA, LICENSE AGREEMENT TMS1002