lemon-mirror:
Home >> Lexus >> 2009 >> LS 460 AWD >> Repair and Diagnosis >> Electrical >> Body Electrical >> OEM System Circuits >> Advanced Parking Guidance System >> Notes

Advanced Parking Guidance System: Notes

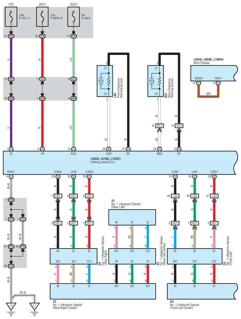
Fig 1: Advanced Parking Guidance System - Circuit Diagram (1 Of 10)
G07589708Courtesy of © TOYOTA, LICENSE AGREEMENT TMS1002
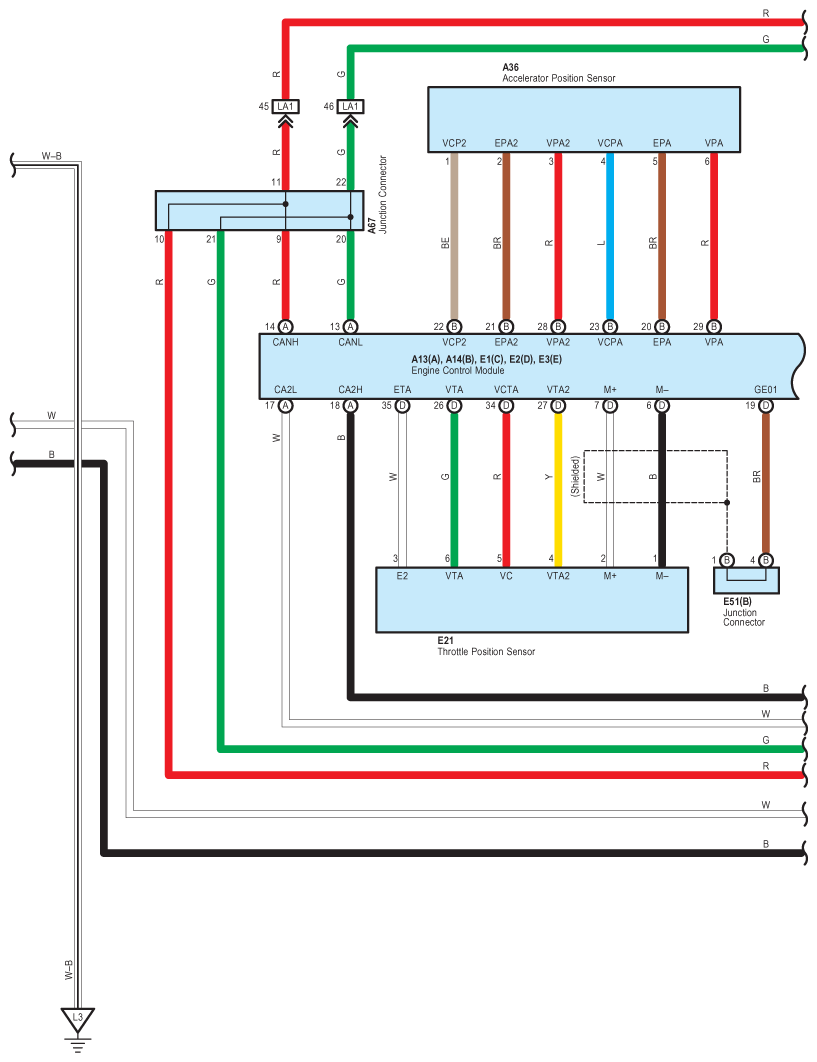
Fig 2: Advanced Parking Guidance System - Circuit Diagram (2 Of 10)
G07589709Courtesy of © TOYOTA, LICENSE AGREEMENT TMS1002
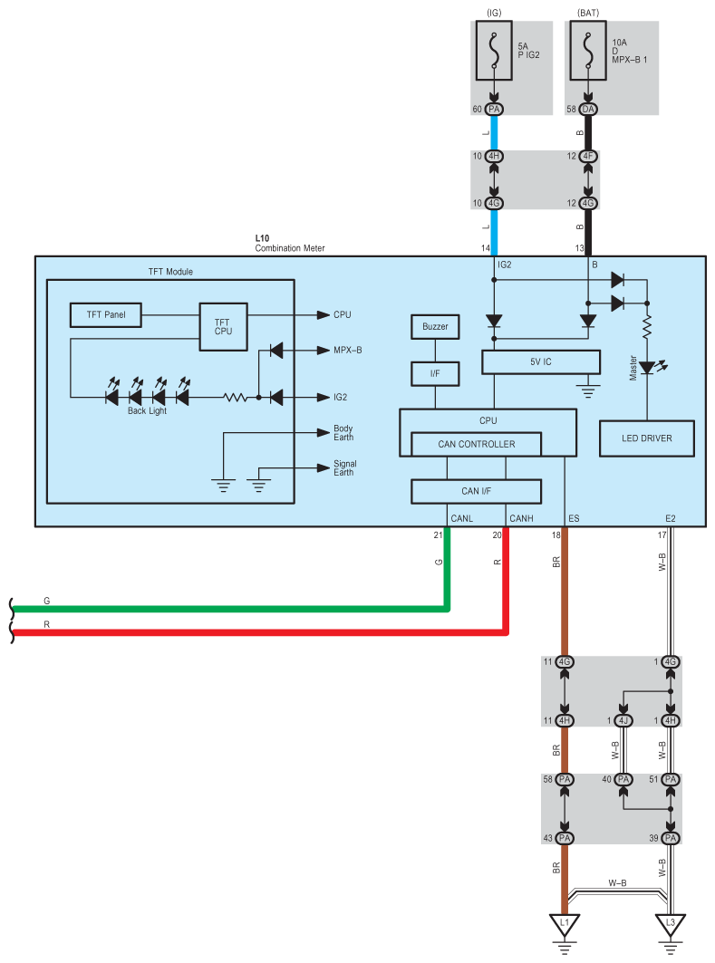
Fig 3: Advanced Parking Guidance System - Circuit Diagram (3 Of 10)
G07589710Courtesy of © TOYOTA, LICENSE AGREEMENT TMS1002
Fig 4: Advanced Parking Guidance System - Circuit Diagram (4 Of 10)
G07589711Courtesy of © TOYOTA, LICENSE AGREEMENT TMS1002
Fig 5: Advanced Parking Guidance System - Circuit Diagram (5 Of 10)
G07589712Courtesy of © TOYOTA, LICENSE AGREEMENT TMS1002
Fig 6: Advanced Parking Guidance System - Circuit Diagram (6 Of 10)
G07589713Courtesy of © TOYOTA, LICENSE AGREEMENT TMS1002
Fig 7: Advanced Parking Guidance System - Circuit Diagram (7 Of 10)
G07589714Courtesy of © TOYOTA, LICENSE AGREEMENT TMS1002
Fig 8: Advanced Parking Guidance System - Circuit Diagram (8 Of 10)
G07589715Courtesy of © TOYOTA, LICENSE AGREEMENT TMS1002
Fig 9: Advanced Parking Guidance System - Circuit Diagram (9 Of 10)
G07589716Courtesy of © TOYOTA, LICENSE AGREEMENT TMS1002
Fig 10: Advanced Parking Guidance System - Circuit Diagram (10 Of 10)
G07589717Courtesy of © TOYOTA, LICENSE AGREEMENT TMS1002