lemon-mirror:
Home >> Lexus >> 2009 >> LS 460 AWD >> Repair and Diagnosis >> Electrical >> Body Electrical >> OEM System Circuits >> Cooling Fan >> Notes

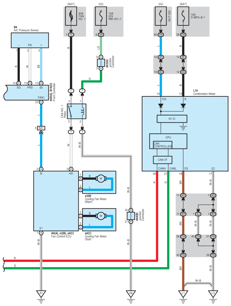
Cooling Fan: Notes

Fig 1: Cooling Fan - Circuit Diagram (1 Of 3)
G07589786Courtesy of © TOYOTA, LICENSE AGREEMENT TMS1002
Fig 2: Cooling Fan - Circuit Diagram (2 Of 3)
G07589787Courtesy of © TOYOTA, LICENSE AGREEMENT TMS1002
Fig 3: Cooling Fan - Circuit Diagram (3 Of 3)
G07589788Courtesy of © TOYOTA, LICENSE AGREEMENT TMS1002