lemon-mirror:
Home >> Lexus >> 2009 >> LS 460 AWD >> Repair and Diagnosis >> Electrical >> Body Electrical >> OEM System Circuits >> Rear Sunshade >> Notes

Rear Sunshade: Notes

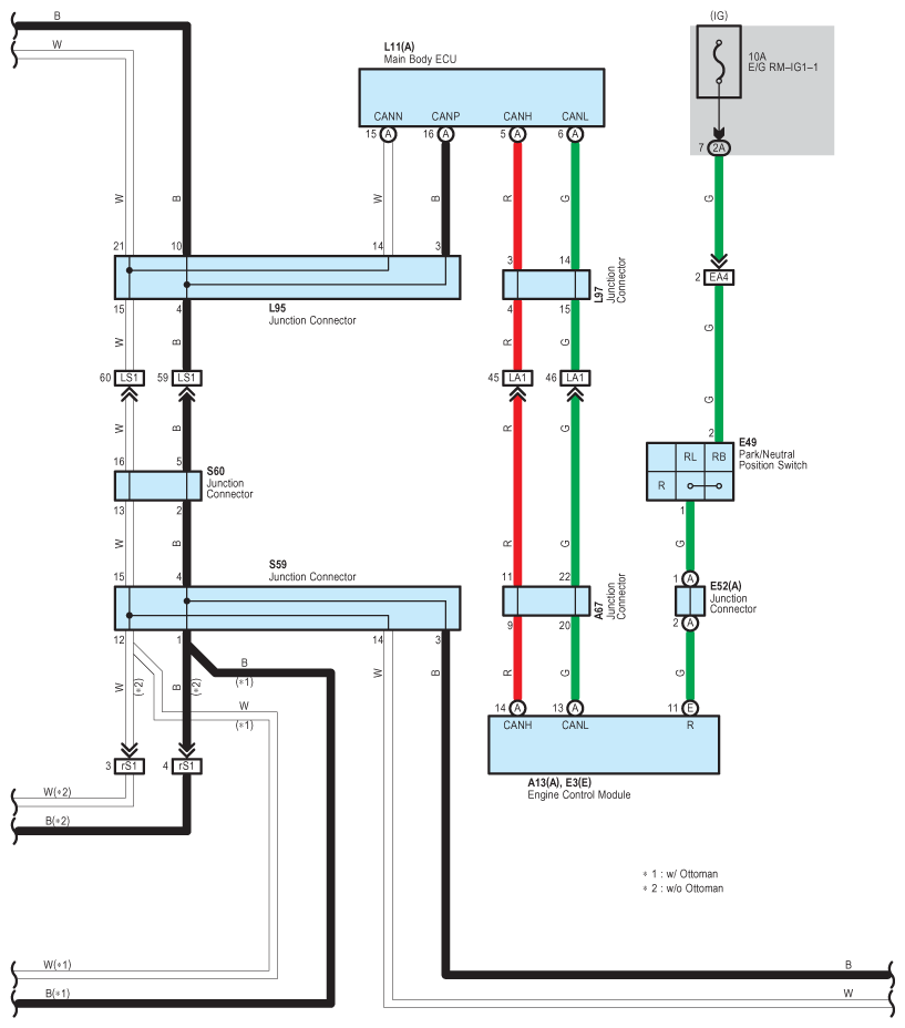
Fig 1: Rear Sunshade - Circuit Diagram (1 Of 4)
G07589619Courtesy of © TOYOTA, LICENSE AGREEMENT TMS1002
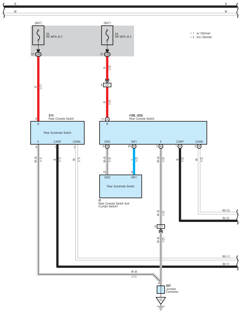
Fig 2: Rear Sunshade - Circuit Diagram (2 Of 4)
G07589620Courtesy of © TOYOTA, LICENSE AGREEMENT TMS1002
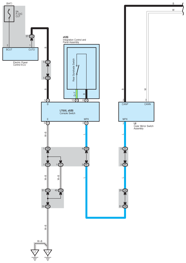
Fig 3: Rear Sunshade - Circuit Diagram (3 Of 4)
G07589621Courtesy of © TOYOTA, LICENSE AGREEMENT TMS1002
Fig 4: Rear Sunshade - Circuit Diagram (4 Of 4)
G07589622Courtesy of © TOYOTA, LICENSE AGREEMENT TMS1002