lemon-mirror:
Home >> Lexus >> 2009 >> LS 460 RWD >> Repair and Diagnosis >> Electrical >> Body Electrical >> OEM System Circuits >> Fog Light >> Notes

Fog Light: Notes

Fig 1: Fog Light - Circuit Diagram (1 Of 3)
G07589453Courtesy of © TOYOTA, LICENSE AGREEMENT TMS1002
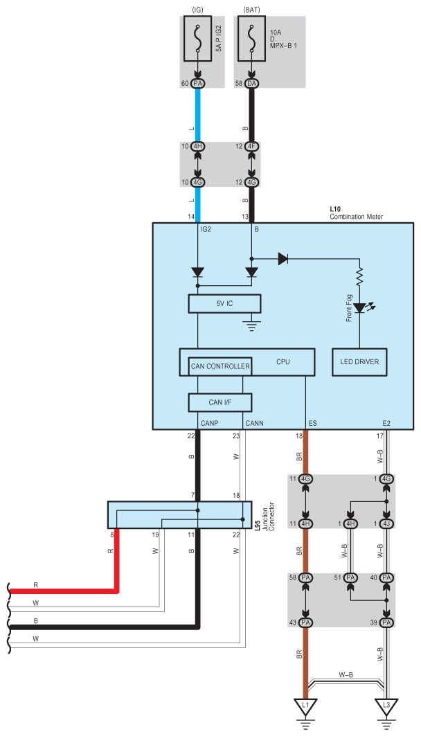
Fig 2: Fog Light - Circuit Diagram (2 Of 3)
G07589454Courtesy of © TOYOTA, LICENSE AGREEMENT TMS1002
Fig 3: Fog Light - Circuit Diagram (3 Of 3)
G07589455Courtesy of © TOYOTA, LICENSE AGREEMENT TMS1002