lemon-mirror:
Home >> Lexus >> 2009 >> LS 600hL >> Repair and Diagnosis >> Electrical >> Body Electrical >> OEM Ground Points >> Ground Point >> Notes

Ground Point: Notes

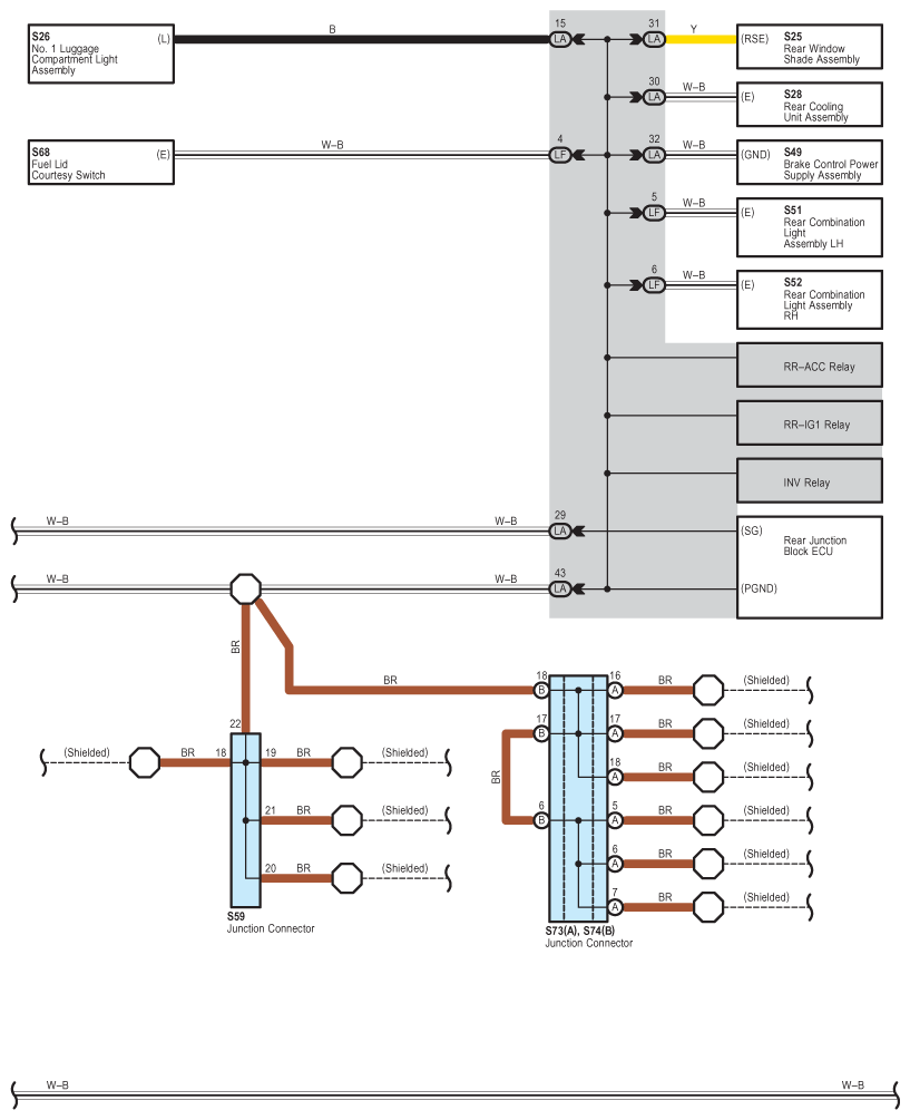
Fig 1: Ground Point - Wiring Diagram (1 Of 14)
G07607374Courtesy of © TOYOTA, LICENSE AGREEMENT TMS1002
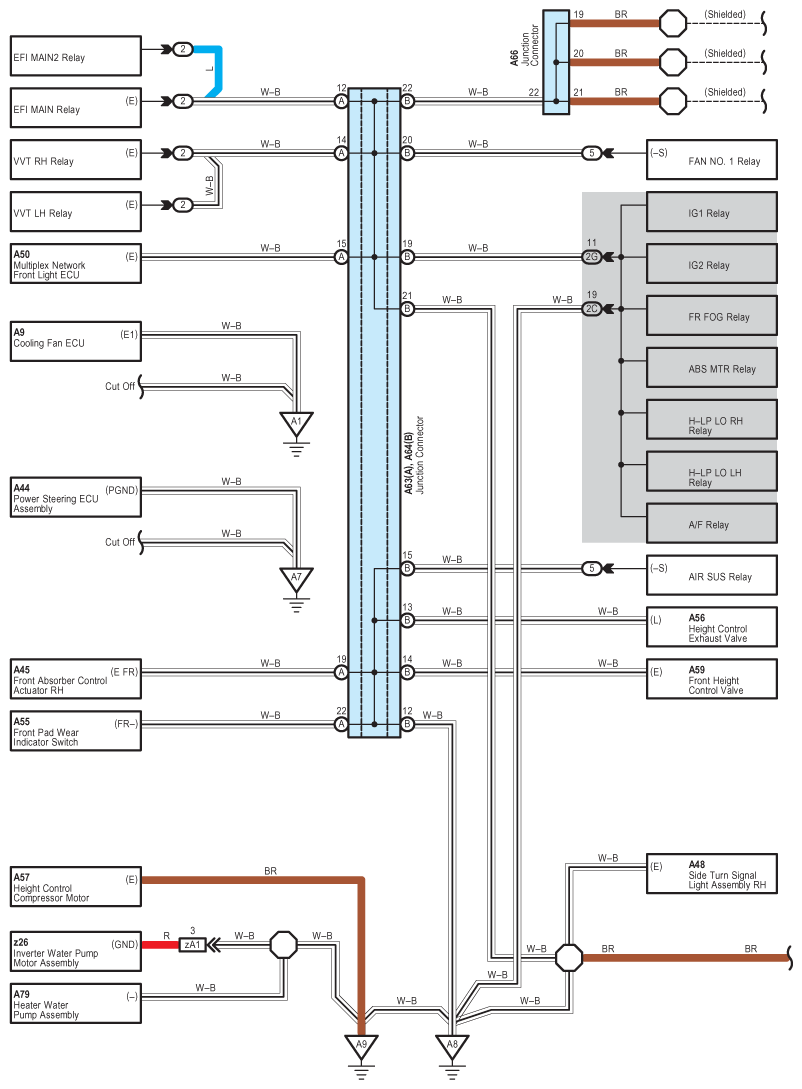
Fig 2: Ground Point - Wiring Diagram (2 Of 14)
G07607375Courtesy of © TOYOTA, LICENSE AGREEMENT TMS1002
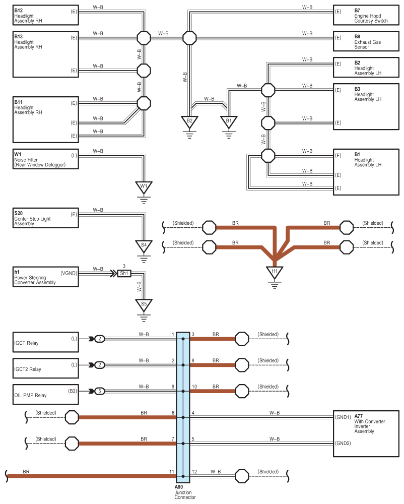
Fig 3: Ground Point - Wiring Diagram (3 Of 14)
G07607376Courtesy of © TOYOTA, LICENSE AGREEMENT TMS1002
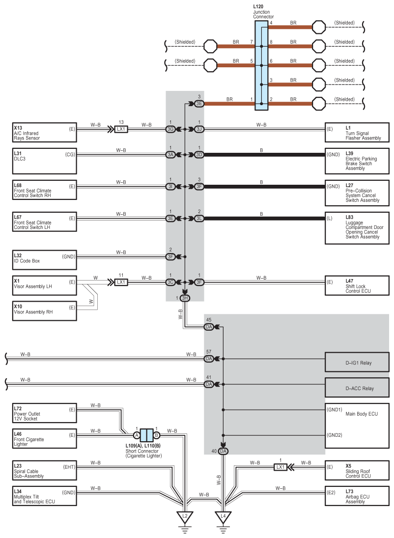
Fig 4: Ground Point - Wiring Diagram (4 Of 14)
G07607377Courtesy of © TOYOTA, LICENSE AGREEMENT TMS1002
Fig 5: Ground Point - Wiring Diagram (5 Of 14)
G07607378Courtesy of © TOYOTA, LICENSE AGREEMENT TMS1002
Fig 6: Ground Point - Wiring Diagram (6 Of 14)
G07607379Courtesy of © TOYOTA, LICENSE AGREEMENT TMS1002
Fig 7: Ground Point - Wiring Diagram (7 Of 14)
G07607380Courtesy of © TOYOTA, LICENSE AGREEMENT TMS1002
Fig 8: Ground Point - Wiring Diagram (8 Of 14)
G07607381Courtesy of © TOYOTA, LICENSE AGREEMENT TMS1002
Fig 9: Ground Point - Wiring Diagram (9 Of 14)
G07607382Courtesy of © TOYOTA, LICENSE AGREEMENT TMS1002
Fig 10: Ground Point - Wiring Diagram (10 Of 14)
G07607383Courtesy of © TOYOTA, LICENSE AGREEMENT TMS1002
Fig 11: Ground Point - Wiring Diagram (11 Of 14)
G07607384Courtesy of © TOYOTA, LICENSE AGREEMENT TMS1002
Fig 12: Ground Point - Wiring Diagram (12 Of 14)
G07607385Courtesy of © TOYOTA, LICENSE AGREEMENT TMS1002
Fig 13: Ground Point - Wiring Diagram (13 Of 14)
G07607386Courtesy of © TOYOTA, LICENSE AGREEMENT TMS1002
Fig 14: Ground Point - Wiring Diagram (14 Of 14)
G07607387Courtesy of © TOYOTA, LICENSE AGREEMENT TMS1002