lemon-mirror:
Home >> Lexus >> 2009 >> LS 600hL >> Repair and Diagnosis >> Electrical >> Body Electrical >> OEM System Circuits >> Air Suspension >> Notes

Air Suspension: Notes

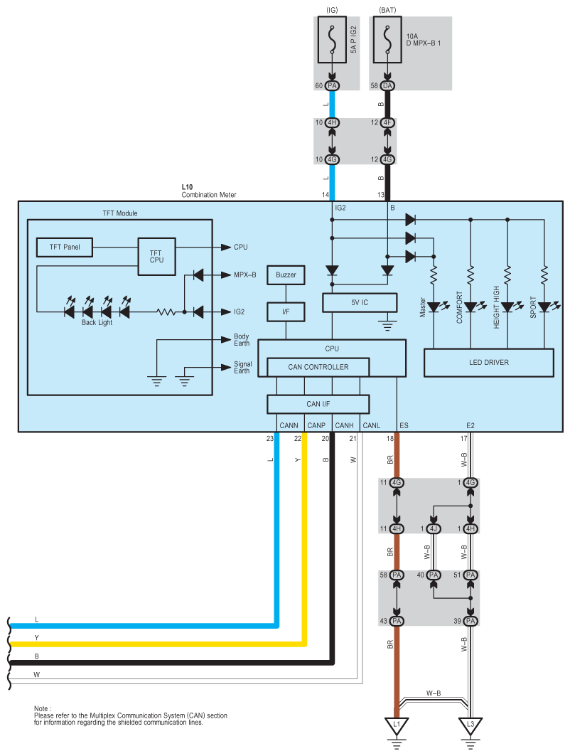
Fig 1: Air Suspension - Circuit Diagram (1 Of 9)
G07607106Courtesy of © TOYOTA, LICENSE AGREEMENT TMS1002
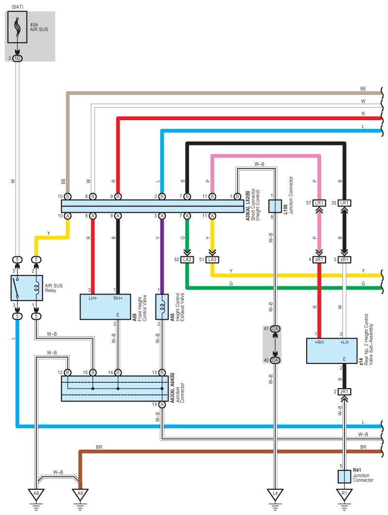
Fig 2: Air Suspension - Circuit Diagram (2 Of 9)
G07607107Courtesy of © TOYOTA, LICENSE AGREEMENT TMS1002
Fig 3: Air Suspension - Circuit Diagram (3 Of 9)
G07607108Courtesy of © TOYOTA, LICENSE AGREEMENT TMS1002
Fig 4: Air Suspension - Circuit Diagram (4 Of 9)
G07607109Courtesy of © TOYOTA, LICENSE AGREEMENT TMS1002
Fig 5: Air Suspension - Circuit Diagram (5 Of 9)
G07607110Courtesy of © TOYOTA, LICENSE AGREEMENT TMS1002
Fig 6: Air Suspension - Circuit Diagram (6 Of 9)
G07607111Courtesy of © TOYOTA, LICENSE AGREEMENT TMS1002
Fig 7: Air Suspension - Circuit Diagram (7 Of 9)
G07607112Courtesy of © TOYOTA, LICENSE AGREEMENT TMS1002
Fig 8: Air Suspension - Circuit Diagram (8 Of 9)
G07607113Courtesy of © TOYOTA, LICENSE AGREEMENT TMS1002
Fig 9: Air Suspension - Circuit Diagram (9 Of 9)
G07607114Courtesy of © TOYOTA, LICENSE AGREEMENT TMS1002