lemon-mirror:
Home >> Lexus >> 2009 >> LS 600hL >> Repair and Diagnosis >> Electrical >> Body Electrical >> OEM System Circuits >> Multiplex Communication System (CAN) >> Notes

Multiplex Communication System (CAN): Notes

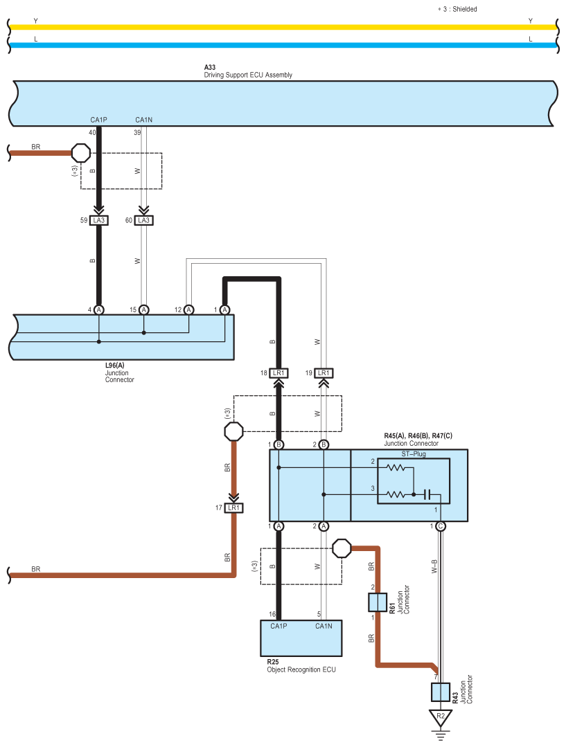
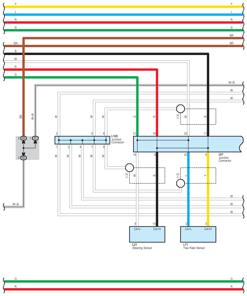
Fig 1: Multiplex Communication System (CAN) - Circuit Diagram (1 Of 19)
G07606961Courtesy of © TOYOTA, LICENSE AGREEMENT TMS1002
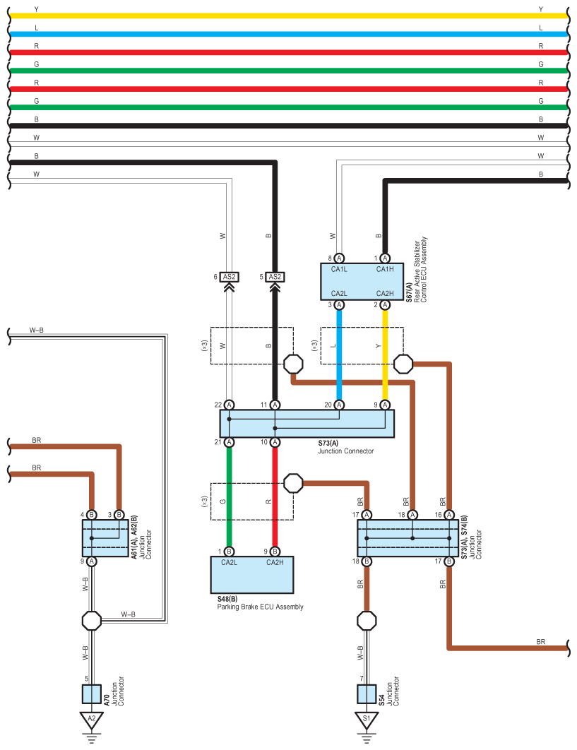
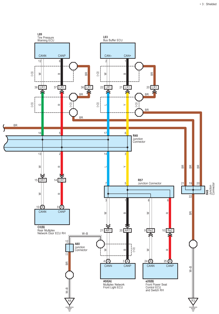
Fig 2: Multiplex Communication System (CAN) - Circuit Diagram (2 Of 19)
G07606962Courtesy of © TOYOTA, LICENSE AGREEMENT TMS1002
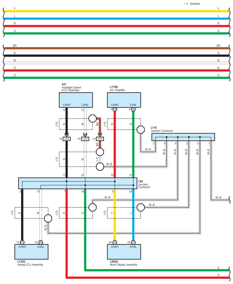
Fig 3: Multiplex Communication System (CAN) - Circuit Diagram (3 Of 19)
G07606963Courtesy of © TOYOTA, LICENSE AGREEMENT TMS1002
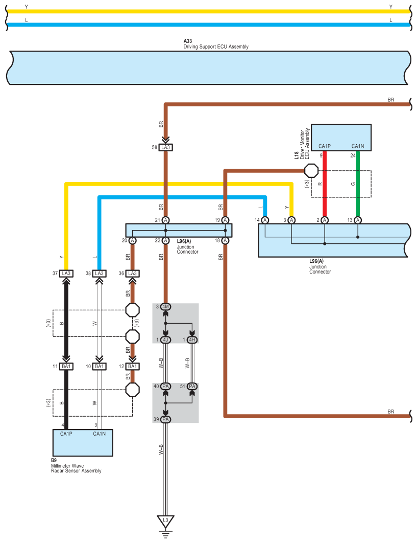
Fig 4: Multiplex Communication System (CAN) - Circuit Diagram (4 Of 19)
G07606964Courtesy of © TOYOTA, LICENSE AGREEMENT TMS1002
Fig 5: Multiplex Communication System (CAN) - Circuit Diagram (5 Of 19)
G07606965Courtesy of © TOYOTA, LICENSE AGREEMENT TMS1002
Fig 6: Multiplex Communication System (CAN) - Circuit Diagram (6 Of 19)
G07606966Courtesy of © TOYOTA, LICENSE AGREEMENT TMS1002
Fig 7: Multiplex Communication System (CAN) - Circuit Diagram (7 Of 19)
G07606967Courtesy of © TOYOTA, LICENSE AGREEMENT TMS1002
Fig 8: Multiplex Communication System (CAN) - Circuit Diagram (8 Of 19)
G07606968Courtesy of © TOYOTA, LICENSE AGREEMENT TMS1002
Fig 9: Multiplex Communication System (CAN) - Circuit Diagram (9 Of 19)
G07606969Courtesy of © TOYOTA, LICENSE AGREEMENT TMS1002
Fig 10: Multiplex Communication System (CAN) - Circuit Diagram (10 Of 19)
G07606970Courtesy of © TOYOTA, LICENSE AGREEMENT TMS1002
Fig 11: Multiplex Communication System (CAN) - Circuit Diagram (11 Of 19)
G07606971Courtesy of © TOYOTA, LICENSE AGREEMENT TMS1002
Fig 12: Multiplex Communication System (CAN) - Circuit Diagram (12 Of 19)
G07606972Courtesy of © TOYOTA, LICENSE AGREEMENT TMS1002
Fig 13: Multiplex Communication System (CAN) - Circuit Diagram (13 Of 19)
G07606973Courtesy of © TOYOTA, LICENSE AGREEMENT TMS1002
Fig 14: Multiplex Communication System (CAN) - Circuit Diagram (14 Of 19)
G07606974Courtesy of © TOYOTA, LICENSE AGREEMENT TMS1002
Fig 15: Multiplex Communication System (CAN) - Circuit Diagram (15 Of 19)
G07606975Courtesy of © TOYOTA, LICENSE AGREEMENT TMS1002
Fig 16: Multiplex Communication System (CAN) - Circuit Diagram (16 Of 19)
G07606976Courtesy of © TOYOTA, LICENSE AGREEMENT TMS1002
Fig 17: Multiplex Communication System (CAN) - Circuit Diagram (17 Of 19)
G07606977Courtesy of © TOYOTA, LICENSE AGREEMENT TMS1002
Fig 18: Multiplex Communication System (CAN) - Circuit Diagram (18 Of 19)
G07606978Courtesy of © TOYOTA, LICENSE AGREEMENT TMS1002
Fig 19: Multiplex Communication System (CAN) - Circuit Diagram (19 Of 19)
G07606979Courtesy of © TOYOTA, LICENSE AGREEMENT TMS1002