lemon-mirror:
Home >> Lexus >> 2009 >> LS 600hL >> Repair and Diagnosis >> Electrical >> Body Electrical >> OEM System Circuits >> Sliding Roof >> Notes

Sliding Roof: Notes

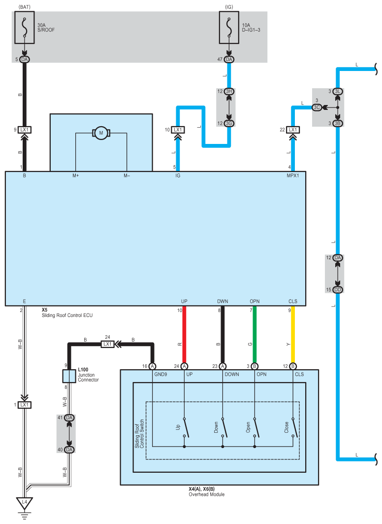
Fig 1: Sliding Roof - Circuit Diagram (1 Of 4)
G07607189Courtesy of © TOYOTA, LICENSE AGREEMENT TMS1002
Fig 2: Sliding Roof - Circuit Diagram (2 Of 4)
G07607190Courtesy of © TOYOTA, LICENSE AGREEMENT TMS1002
Fig 3: Sliding Roof - Circuit Diagram (3 Of 4)
G07607191Courtesy of © TOYOTA, LICENSE AGREEMENT TMS1002
Fig 4: Sliding Roof - Circuit Diagram (4 Of 4)
G07607192Courtesy of © TOYOTA, LICENSE AGREEMENT TMS1002