lemon-mirror:
Home >> Lexus >> 2009 >> LX 570 >> Repair and Diagnosis >> Electrical >> Body Electrical >> OEM System Circuits >> Adaptive Front-Lighting System >> Notes

Adaptive Front-Lighting System: Notes

Fig 1: Adaptive Front-Lighting System - Circuit Diagram (1 Of 5)
G07600756Courtesy of © TOYOTA, LICENSE AGREEMENT TMS1002
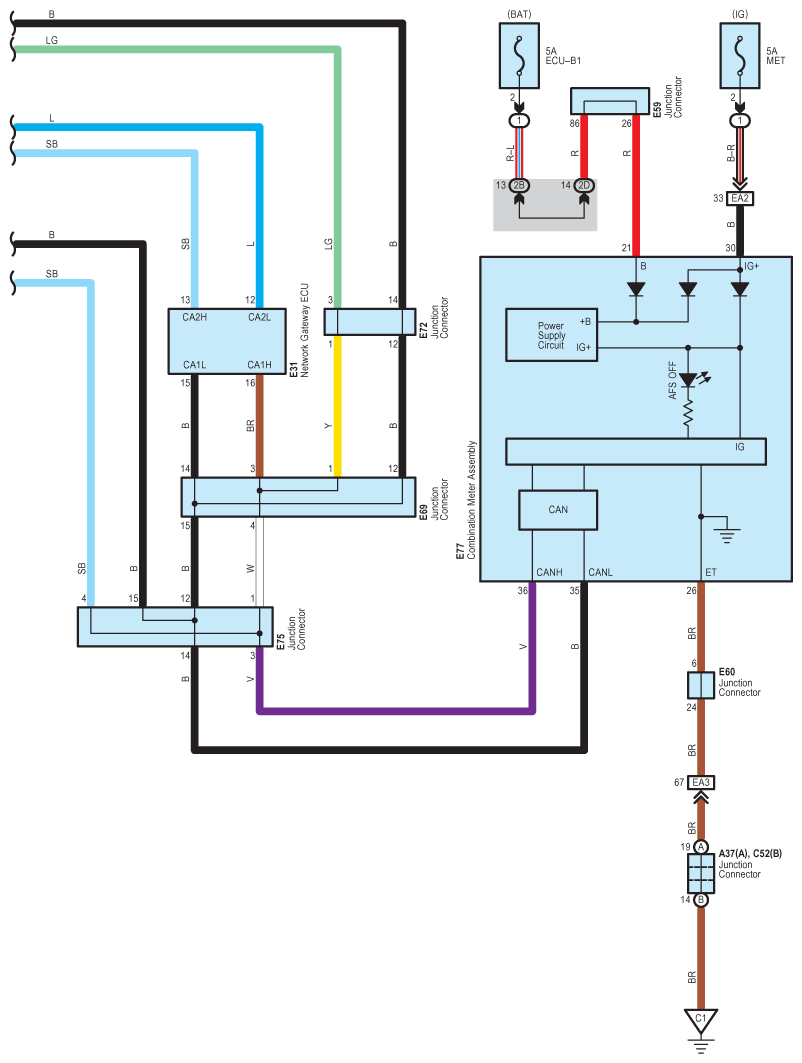
Fig 2: Adaptive Front-Lighting System - Circuit Diagram (2 Of 5)
G07600757Courtesy of © TOYOTA, LICENSE AGREEMENT TMS1002
Fig 3: Adaptive Front-Lighting System - Circuit Diagram (3 Of 5)
G07600758Courtesy of © TOYOTA, LICENSE AGREEMENT TMS1002
Fig 4: Adaptive Front-Lighting System - Circuit Diagram (4 Of 5)
G07600759Courtesy of © TOYOTA, LICENSE AGREEMENT TMS1002
Fig 5: Adaptive Front-Lighting System - Circuit Diagram (5 Of 5)
G07600760Courtesy of © TOYOTA, LICENSE AGREEMENT TMS1002