lemon-mirror:
Home >> Lexus >> 2009 >> LX 570 >> Repair and Diagnosis >> Electrical >> Body Electrical >> OEM System Circuits >> Front Fog Light >> Notes

Front Fog Light: Notes

Fig 1: Front Fog Light - Circuit Diagram (1 Of 4)
G07600628Courtesy of © TOYOTA, LICENSE AGREEMENT TMS1002
Fig 2: Front Fog Light - Circuit Diagram (2 Of 4)
G07600629Courtesy of © TOYOTA, LICENSE AGREEMENT TMS1002
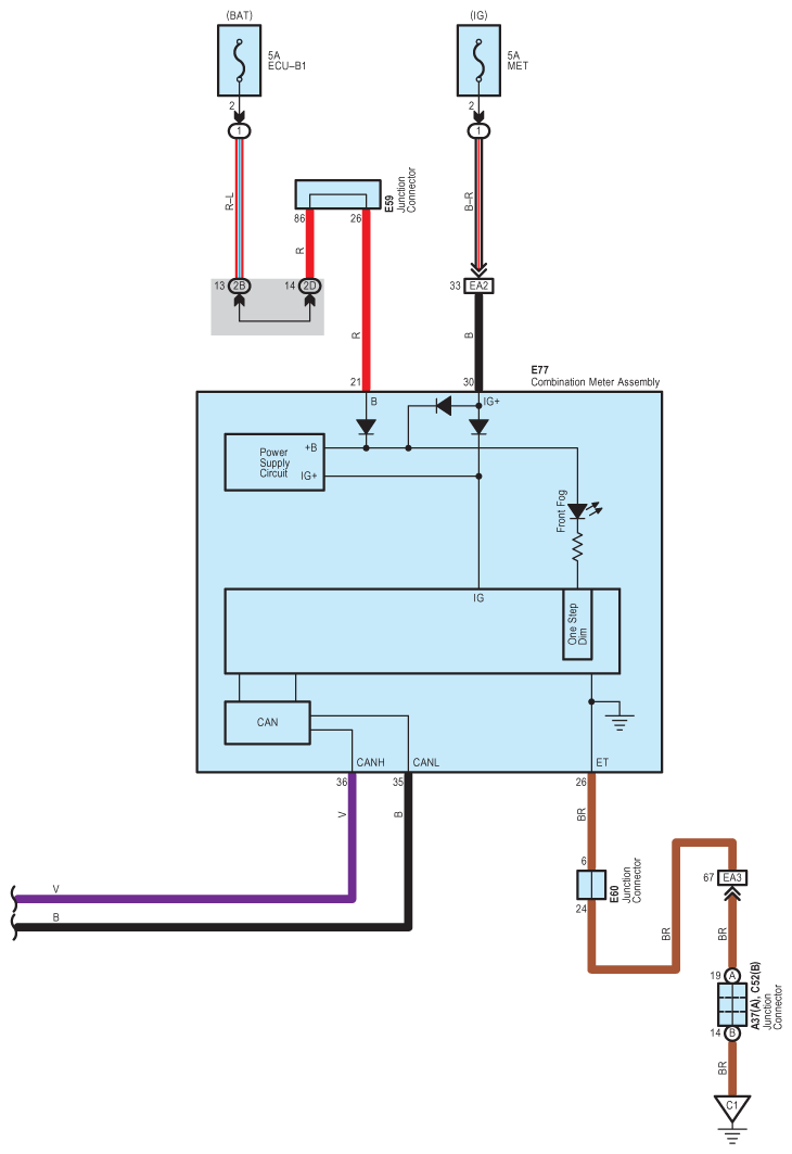
Fig 3: Front Fog Light - Circuit Diagram (3 Of 4)
G07600630Courtesy of © TOYOTA, LICENSE AGREEMENT TMS1002
Fig 4: Front Fog Light - Circuit Diagram (4 Of 4)
G07600631Courtesy of © TOYOTA, LICENSE AGREEMENT TMS1002