lemon-mirror:
Home >> Lexus >> 2009 >> LX 570 >> Repair and Diagnosis >> Electrical >> Body Electrical >> OEM System Circuits >> Ignition >> Notes

OEM System Circuits: Ignition: Notes

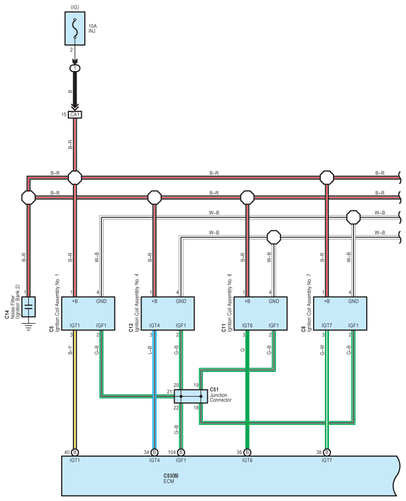
Fig 1: Ignition - Circuit Diagram (1 Of 2)
G07600593Courtesy of © TOYOTA, LICENSE AGREEMENT TMS1002
Fig 2: Ignition - Circuit Diagram (2 Of 2)
G07600594Courtesy of © TOYOTA, LICENSE AGREEMENT TMS1002