lemon-mirror:
Home >> Lexus >> 2009 >> LX 570 >> Repair and Diagnosis >> Electrical >> Body Electrical >> OEM System Circuits >> Pre-Collision System >> Notes

Pre-Collision System: Notes

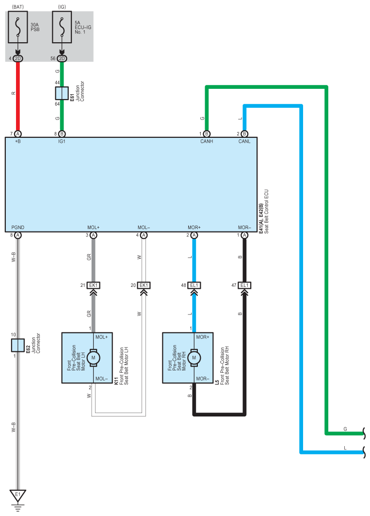
Fig 1: Pre-Collision System - Circuit Diagram (1 Of 5)
G07600742Courtesy of © TOYOTA, LICENSE AGREEMENT TMS1002
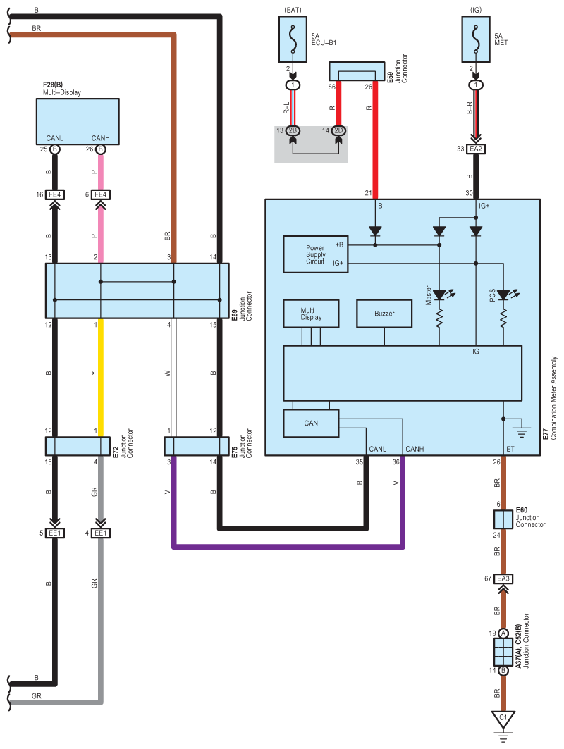
Fig 2: Pre-Collision System - Circuit Diagram (2 Of 5)
G07600743Courtesy of © TOYOTA, LICENSE AGREEMENT TMS1002
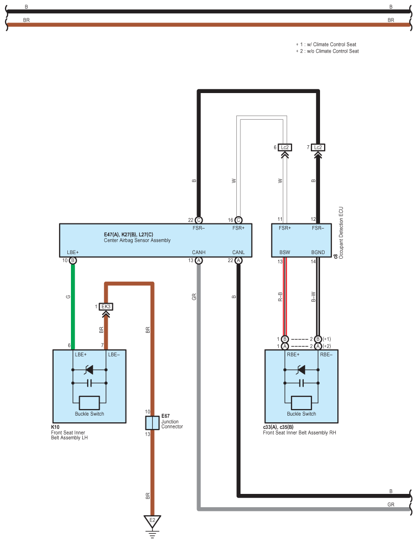
Fig 3: Pre-Collision System - Circuit Diagram (3 Of 5)
G07600744Courtesy of © TOYOTA, LICENSE AGREEMENT TMS1002
Fig 4: Pre-Collision System - Circuit Diagram (4 Of 5)
G07600745Courtesy of © TOYOTA, LICENSE AGREEMENT TMS1002
Fig 5: Pre-Collision System - Circuit Diagram (5 Of 5)
G07600746Courtesy of © TOYOTA, LICENSE AGREEMENT TMS1002