lemon-mirror:
Home >> Lexus >> 2009 >> LX 570 >> Repair and Diagnosis >> Electrical >> Body Electrical >> OEM System Circuits >> Tire Pressure Warning System >> Notes

Tire Pressure Warning System: Notes

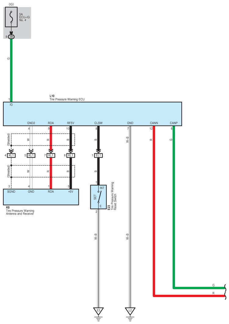
Fig 1: Tire Pressure Warning System - Circuit Diagram (1 Of 5)
G07600798Courtesy of © TOYOTA, LICENSE AGREEMENT TMS1002
Fig 2: Tire Pressure Warning System - Circuit Diagram (2 Of 5)
G07600799Courtesy of © TOYOTA, LICENSE AGREEMENT TMS1002
Fig 3: Tire Pressure Warning System - Circuit Diagram (3 Of 5)
G07600800Courtesy of © TOYOTA, LICENSE AGREEMENT TMS1002
Fig 4: Tire Pressure Warning System - Circuit Diagram (4 Of 5)
G07600801Courtesy of © TOYOTA, LICENSE AGREEMENT TMS1002
Fig 5: Tire Pressure Warning System - Circuit Diagram (5 Of 5)
G07600802Courtesy of © TOYOTA, LICENSE AGREEMENT TMS1002