lemon-mirror:
Home >> Lexus >> 2009 >> RX 350 AWD >> Repair and Diagnosis >> Electrical >> Body Electrical >> OEM System Circuits >> Automatic Light Control >> Notes

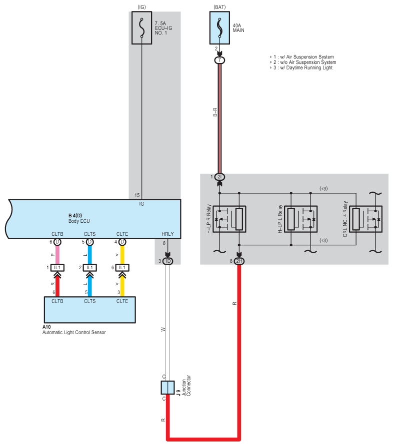
Automatic Light Control: Notes

Fig 1: Automatic Light Control - Circuit Diagram (1 Of 2)
G07614532Courtesy of © TOYOTA, LICENSE AGREEMENT TMS1002
Fig 2: Automatic Light Control - Circuit Diagram (2 Of 2)
G07614533Courtesy of © TOYOTA, LICENSE AGREEMENT TMS1002