lemon-mirror:
Home >> Lexus >> 2009 >> RX 350 AWD >> Repair and Diagnosis >> Electrical >> Body Electrical >> OEM System Circuits >> Engine Control >> Notes

Engine Control: Notes

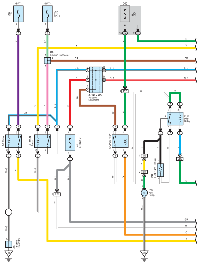
Fig 1: Engine Control - Circuit Diagram (1 Of 11)
G07614426Courtesy of © TOYOTA, LICENSE AGREEMENT TMS1002
Fig 2: Engine Control - Circuit Diagram (2 Of 11)
G07614427Courtesy of © TOYOTA, LICENSE AGREEMENT TMS1002
Fig 3: Engine Control - Circuit Diagram (3 Of 11)
G07614428Courtesy of © TOYOTA, LICENSE AGREEMENT TMS1002
Fig 4: Engine Control - Circuit Diagram (4 Of 11)
G07614429Courtesy of © TOYOTA, LICENSE AGREEMENT TMS1002
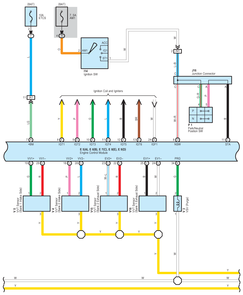
Fig 5: Engine Control - Circuit Diagram (5 Of 11)
G07614430Courtesy of © TOYOTA, LICENSE AGREEMENT TMS1002
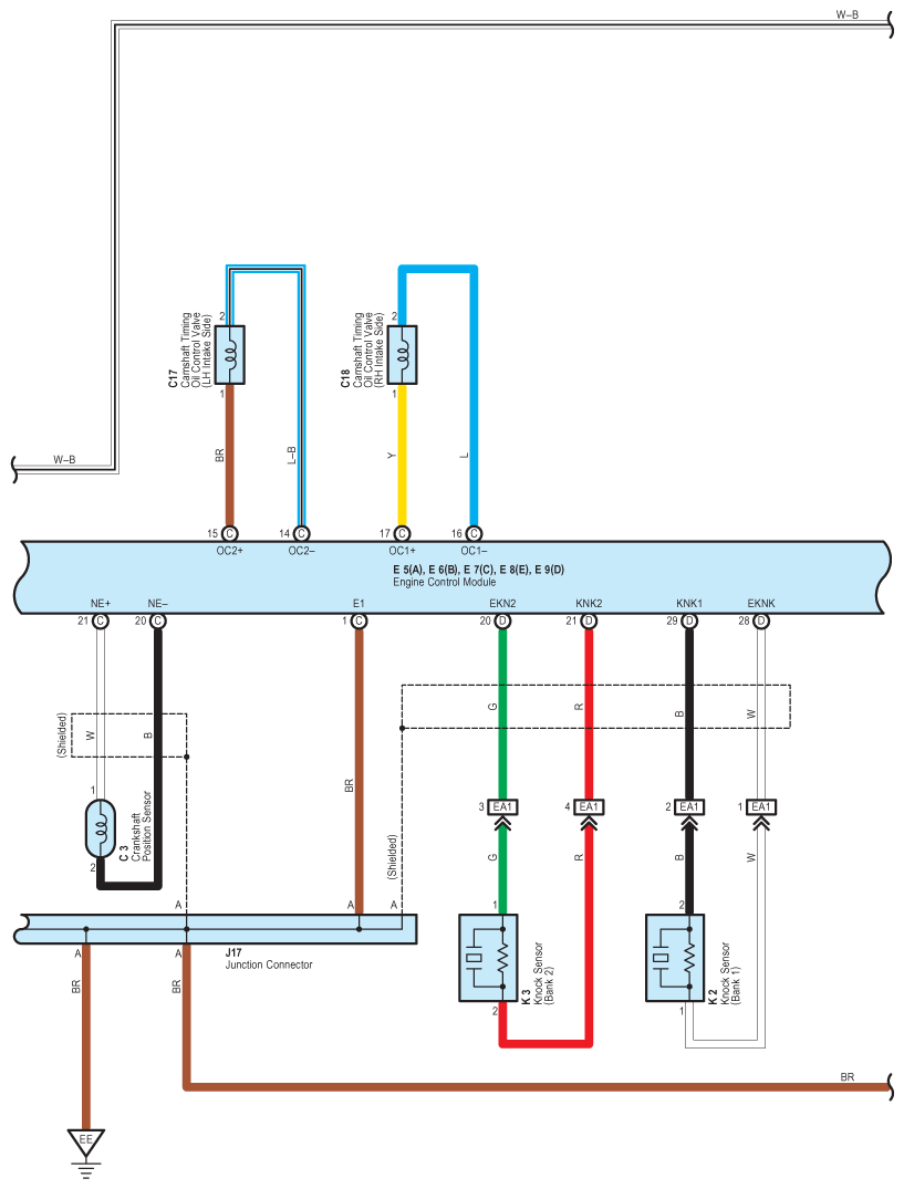
Fig 6: Engine Control - Circuit Diagram (6 Of 11)
G07614431Courtesy of © TOYOTA, LICENSE AGREEMENT TMS1002
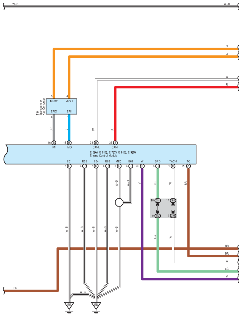
Fig 7: Engine Control - Circuit Diagram (7 Of 11)
G07614432Courtesy of © TOYOTA, LICENSE AGREEMENT TMS1002
Fig 8: Engine Control - Circuit Diagram (8 Of 11)
G07614433Courtesy of © TOYOTA, LICENSE AGREEMENT TMS1002
Fig 9: Engine Control - Circuit Diagram (9 Of 11)
G07614434Courtesy of © TOYOTA, LICENSE AGREEMENT TMS1002
Fig 10: Engine Control - Circuit Diagram (10 Of 11)
G07614435Courtesy of © TOYOTA, LICENSE AGREEMENT TMS1002
Fig 11: Engine Control - Circuit Diagram (11 Of 11)
G07614436Courtesy of © TOYOTA, LICENSE AGREEMENT TMS1002