lemon-mirror:
Home >> Lexus >> 2009 >> RX 350 AWD >> Repair and Diagnosis >> Electrical >> Body Electrical >> OEM System Circuits >> Front Fog Light >> Notes

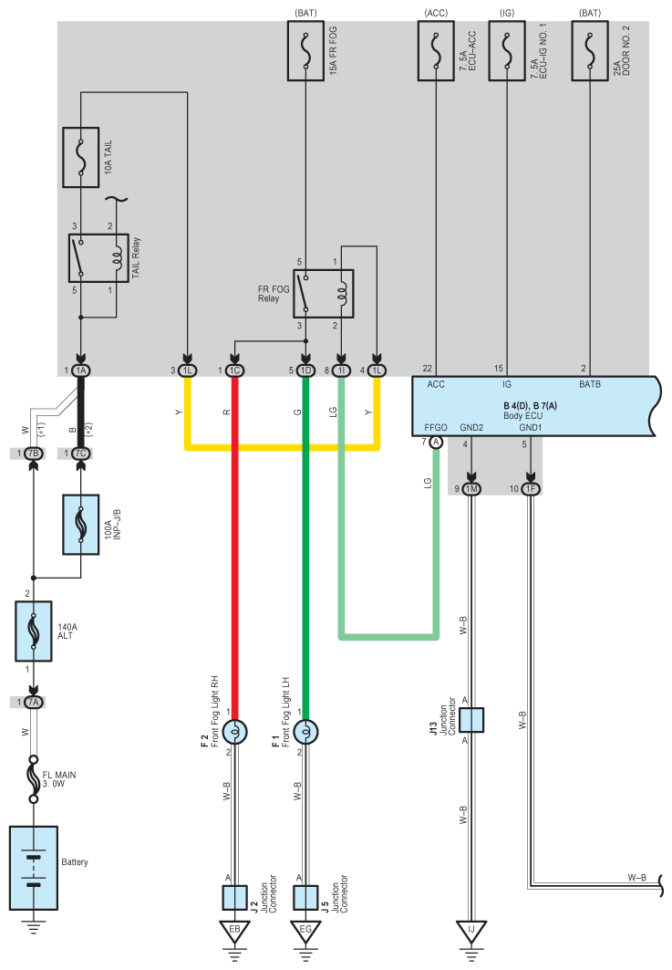
Front Fog Light: Notes

Fig 1: Front Fog Light - Circuit Diagram (1 Of 2)
G07614405Courtesy of © TOYOTA, LICENSE AGREEMENT TMS1002
Fig 2: Front Fog Light - Circuit Diagram (2 Of 2)
G07614406Courtesy of © TOYOTA, LICENSE AGREEMENT TMS1002